Центробежный вертикальный погружной насос тип JB420 1100 л/мин 90 м
1100 л/мин 90 м
Центробежный вертикальный погружной насос с глубоко посаженной крыльчаткой Vortex позволяет перекачивать жидкости с примесями загрязнений размером частиц до 50 мм.Структура условного обозначения насосов серии J
Устройство насосов серии J
| Технические характеристики насоса | Монтажное положение | Вертикальный |
| Тип крыльчатки | Открытая (+ Осевая) | |
| Корпус | чугун | |
| Улитка | чугун | |
| Вал | Конструкционная сталь | |
| Крыльчатка | Литая сталь | |
| Механическое уплотнение | - | |
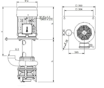
| Трубное соединение | G 2 | |
| Hмакс (м) | 90 | |
| Qмакс (л/м) | 1100 | |
| Двигатель | Мощность (кВ) | 3 - 11 |
| Степень защиты | IP 55 | |
| Ксласс изоляции | F | |
| Технические характеристики жидкости | Кинематическая вязкость | 1...90 mm2/s |
| Температура | 0...80 oC | |
| Размер частиц - max (мм) | 10 | |
| СОЖ | + | |
| Шлифовальные масла | + | |
| Охлаждающие жидкости | + | |
| Вода | o | |
| Применение | Резка | + |
| Расточка, сверление | + | |
| Токарная работа (вращение) | + | |
| Фрезеровка (вальцевание, дробление) | + | |
| Шлифовка | + | |
| Системы фильтрации | + | |
| Циркуляционные системы | + |
Технические параметры и размеры:
| ТИП | Глубина погружения | a | b | c | Масса | Мощность | Напряжение | Частота | Ток | Скорость вращения |
| h (mm) | мм | мм | мм | kg | kW | V( A/Y) | Hz | A | rpm | |
| J В 421/300 | 300 | 194 | 335 | 450 | 33.0 | 3.0 | 230/400 | 50 | 11.95/6.9 | 2870 |
| JB 421/520 | 520 | 739 | 40.5 | |||||||
| J В 422/375 | 375 | 218 | 346 | 519 | 52.1 | 5.5 | 230/400 | 50 | 18.0/10.4 | 2885 |
| J В 422/595 | 595 | 739 | 59.4 | |||||||
| J В 423/450 | 450 | 258 | 389 | 562 | 75.6 | 7.5 | 400Д | 50 | 13.5 | 2910 |
| J В 423/670 | 670 | 782 | 83.0 | |||||||
| JB 424/525 | 525 | 258 | 393 | 566 | 94.5 | 11.0 | 400Д | 50 | 19.50 | 2850 |
| J В 424/745 | 745 | 786 | 101.9 |


производитель
Miksan
Если вы хотите купить центробежный вертикальный погружной насос тип JB420 , вы можете:
Позвонить:

