Насос центробежный погружной тип EР150 170 л/мин 31 м
170 л/мин 31 м

Технические характеристики насоса | Монтажное положение | Вертикальный |
Тип крыльчатки | Открытая | |
Корпус | чугун | |
Улитка | чугун | |
Вал | Конструкционная сталь | |
Крыльчатка | Литая сталь | |
Механическое уплотнение | - | |
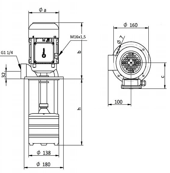
Трубное соединение | G 1 1/4 | |
Hмакс (м) | 32 | |
Qмакс (л/м) | 185 | |
Hопт (м) | см.график | |
Qопт (л/м) | см.график | |
Двигатель | Мощность (кВ) | 0.37 |
Степень защиты | IP 55 | |
Ксласс изоляции | F | |
Технические характеристики жидкости | Кинематическая вязкость | 1...90 mm2/s |
Температура | 0...60 oC | |
Размер частиц - max (мм) | 8 | |
СОЖ | + | |
Шлифовальные масла | + | |
Охлаждающие жидкости | + | |
Вода | o | |
Применение | Резка | + |
Расточка, сверление | + | |
Токарная работа (вращение) | + | |
Фрезеровка (вальцевание, дробление) | + | |
Шлифовка | + | |
Циркуляционные системы | + |
Технические характеристики и размеры
ТИП | Глубина погружения | a | b | c | Масса | Мощность | Напряжение | Частота | Ток | Скорость вращения |
h (mm) | мм | мм | мм | kg | kW | V( A/Y) | Hz | A | rpm | |
ЕР 150/200 | 200 | 138 | 242 | 107 | 13.3 | 0,37 | 230/400 | 50 | 1.75/1.00 | 2800 |
ЕР 150/270 | 270 | 13.9 | ||||||||
ЕР 150/350 | 350 | 14.2 | ||||||||
ЕР 150/440 | 440 | 15.9 | ||||||||
ЕР 150/550 | 550 | 17.2 | ||||||||
ЕР 152/240 | 240 | 138 | 242 | 107 | 18.6 | 0,74 | 230/400 | 50 | 3.65/2.10 | 2820 |
ЕР 152/310 | 310 | 19.2 | ||||||||
ЕР 152/390 | 390 | 19.5 | ||||||||
ЕР 152/480 | 480 | 21.2 | ||||||||
ЕР 153/280 | 280 | 138 | 242 | 107 | 19.8 | 1,1 | 230/400 | 50 | 5.65/3.25 | 2780 |
ЕР 153/350 | 350 | 20.4 | ||||||||
ЕР 153/430 | 430 | 20.7 | ||||||||
ЕР 153/520 | 520 | 22.4 |
*Размеры насоса в соответствии с EN 12157.
** Кривая построена на основе измерений с жидкостью кинематической вязкостью 1 mm2/s (cSt) и плотностью 1000 kg/m3 density
*** Допуск кривой в соответствии с EN ISO 9906.


производитель
MIKSAN
Если вы хотите купить насос центробежный погружной тип EР150 , вы можете:
Позвонить: