Центробежный вертикальный погружной насос тип JB200 900 л/мин 58м
900 л/мин 58м
Центробежный вертикальный погружной насос с глубоко посаженной крыльчаткой Vortex позволяет перекачивать жидкости с примесями загрязнений размером частиц до 50 мм.Структура условного обозначения насосов серии J
Устройство насосов серии J
| Технические характеристики насоса | Монтажное положение | Вертикальный |
| Тип крыльчатки | Открытая (+ Осевая) | |
| Корпус | чугун | |
| Улитка | чугун | |
| Вал | Конструкционная сталь | |
| Крыльчатка | Литая сталь | |
| Механическое уплотнение | - | |
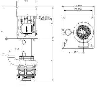
| Трубное соединение | G 2 | |
| Hмакс (м) | 58 | |
| Qмакс (л/м) | 900 | |
| Двигатель | Мощность (кВ) | 1.5 - 7.5 |
| Степень защиты | IP 55 | |
| Ксласс изоляции | F | |
| Технические характеристики жидкости | Кинематическая вязкость | 1...90 mm2/s |
| Температура | 0...80 oC | |
| Размер частиц - max (мм) | 10 | |
| СОЖ | + | |
| Шлифовальные масла | + | |
| Охлаждающие жидкости | + | |
| Вода | o | |
| Применение | Резка | + |
| Расточка, сверление | + | |
| Токарная работа (вращение) | + | |
| Фрезеровка (вальцевание, дробление) | + | |
| Шлифовка | + | |
| Системы фильтрации | + | |
| Циркуляционные системы | + |
Технические параметры и размеры:
| ТИП | Глубина погружения | a | b | c | Масса | Мощность | Напряжение | Частота | Ток | Скорость вращения |
| h (mm) | мм | мм | мм | kg | kW | V( A/Y) | Hz | A | rpm | |
| JB 201/300 | 300 | 176 | 277 | 450 | 26.5 | 1.5 | 230/400 | 50 | 6.44/3.72 | 2860 |
| JB 201/520 | 520 | 670 | 34.0 | |||||||
| JB 202/375 | 375 | 194 | 335 | 508 | 44.0 | 3.0 | 230/400 | 50 | 11.95/6.9 | 2870 |
| JB 202/595 | 595 | 728 | 51.3 | |||||||
| JB 203/450 | 450 | 218 | 346 | 519 | 60.5 | 5.5 | 230/400 | 50 | 18.0/10.4 | 2885 |
| JB 203/670 | 670 | 739 | 67.8 | |||||||
| JB 204/525 | 525 | 258 | 393 | 566 | 83.3 | 7,5 | 400Д | 50 | 13.5 | 2910 |
| JB 204/745 | 745 | 786 | 90.5 |


производитель
Miksan
Если вы хотите купить центробежный вертикальный погружной насос тип JB200 , вы можете:
Позвонить:

