Центробежный вертикальный погружной насос тип JB350 1000 л/мин 75 м
1000 л/мин 75 м
Центробежный вертикальный погружной насос с глубоко посаженной крыльчаткой Vortex позволяет перекачивать жидкости с примесями загрязнений размером частиц до 50 мм.Структура условного обозначения насосов серии J
Устройство насосов серии J
| Технические характеристики насоса | Монтажное положение | Вертикальный |
| Тип крыльчатки | Открытая (+ Осевая) | |
| Корпус | чугун | |
| Улитка | чугун | |
| Вал | Конструкционная сталь | |
| Крыльчатка | Литая сталь | |
| Механическое уплотнение | - | |
| Трубное соединение | G 2 | |
| Hмакс (м) | 75 | |
| Qмакс (л/м) | 1000 | |
| Двигатель | Мощность (кВ) | 2,2 - 11 |
| Степень защиты | IP 55 | |
| Ксласс изоляции | F | |
| Технические характеристики жидкости | Кинематическая вязкость | 1...90 mm2/s |
| Температура | 0...80 oC | |
| Размер частиц - max (мм) | 10 | |
| СОЖ | + | |
| Шлифовальные масла | + | |
| Охлаждающие жидкости | + | |
| Вода | o | |
| Применение | Резка | + |
| Расточка, сверление | + | |
| Токарная работа (вращение) | + | |
| Фрезеровка (вальцевание, дробление) | + | |
| Шлифовка | + | |
| Системы фильтрации | + | |
| Циркуляционные системы | + |
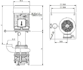
Технические параметры и размеры:
| ТИП | Глубина погружения | a | b | c | Масса | Мощность | Напряжение | Частота | Ток | Скорость вращения |
| h (mm) | мм | мм | мм | kg | kW | V( A/Y) | Hz | A | rpm | |
| JB 351/300 | 300 | 176 | 301 | 474 | 29.0 | 2.2 | 230/400 | 50 | 8.36/4.83 | 2850 |
| JB 351/520 | 520 | 694 | 36.5 | |||||||
| JB 352/375 | 375 | 218 | 357 | 565 | 48.3 | 4.0 | 230/400 | 50 | 13.0/7.5 | 2885 |
| JB 352/595 | 595 | 785 | 55.6 | |||||||
| JB 353/450 | 450 | 258 | 389 | 562 | 77.4 | 7.5 | 400Д | 50 | 13.5 | 2910 |
| JB 353/670 | 670 | 782 | 84.7 | |||||||
| JB 354/525 | 525 | 258 | 393 | 566 | 93.8 | 11.0 | 400Д | 50 | 19.50 | 2850 |
| JB 354/745 | 745 | 786 | 101.2 |


производитель
Miksan
Если вы хотите купить центробежный вертикальный погружной насос тип JB350 , вы можете:
Позвонить:

