Электромагнитный клапан типа SB116-4 высокотемпературный (16 бар +180)
Электромагнитный клапан типа SB116-4 высокотемпературныйТемпература носителя может достигнуть +180°C.
Поршневая конструкция, высокий срок службы.
Низкое минимальное рабочее давление.
Может использоваться для пара, горячего воздуха и другой горячей среды с
вязкость не более 1 мм2/с.
Модель катушки: BD-A-3
Закрыто кожухом из термостабильной пластмассы.
Разъем соответствует ISO.
Класс защиты IP65.
Возможна установка взрывозащищенной катушки и арматуры.
Может использоваться как взрывозащищенный клапан.
Потребление энергии
| АС(ВА) | 14 |
| DC(Вт) | 12 |
Параметры
| Модель | Усл. проход | Присоед. резьба | Рабочее давление МПа | Темпе-ратура среды (°C) | Темпе-ратура носителя (°C) | Пропускн способность Kv м.куб/час | Частота реакции (Гц) | Рабочее напряже- ние | ||
| SB116-4008 | 8 | G1/4 | 0.05-1.6 | -20- + 55 | 0-+180 | 3.6 | Не менее 1 | AC (В) 50 Гц 24, 36 110, 220 380 DC (В) 24,12 | ||
| SB116-4010 | 10 | G3/8 | 3.6 | Не менее 1 | ||||||
| SB116-4015 | 13 | G1/2 | 3.6 | Не менее 1 | ||||||
| SB1 16-4020 | 25 | 63/4 | 11 | Не менее 1 | ||||||
| RSB116-4025 | 25 | G1 | 11 | Не менее 0,5 | ||||||

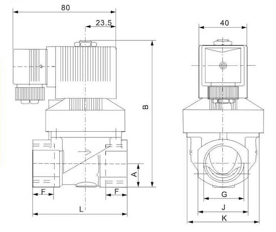
Габаритные размеры
| Модель | G | F | J | K | L | E | B | A |
| SB116-4008 | G1/4 | 12 | 40 | 34 | 65 | 24 | 97 | 16 |
| SB116-4010 | G3/8 | 12 | 40 | 34 | 65 | 24 | 97 | 16 |
| SB116-4015 | G1/2 | 12 | 40 | 34 | 65 | 24 | 97 | 16 |
| SB116-4020 | G3/4 | 16 | 40 | 60 | 90 | 45 | 124 | 20 |
| SB116-4025 | G1 | 18 | 40 | 60 | 90 | 45 | 124 | 20 |
производитель
RFS
Если вы хотите купить электромагнитный клапан типа SB116-4 высокотемпературный (16 бар +180) , вы можете:
Позвонить:

