Электромагнитный клапан типа SB116-2В (16 бар +90)
Электромагнитный клапан типа RSB116-2BКлапан непрямого действия с мембраной принудительного подъема.
Нормально закрытый.
Может использоваться до +90°C.
Может использоваться для газа, воды, масла, слабых кислота и щелочей.
Клапан имеет защиту от гидроудара
Низкий уровень шума и вибрации
Высокая пропускная способность
Высокая надежность, длительный срок службы.
Модель катушки: BD-A-3
Закрыто кожухом из термостабильной пластмассы.
Разъем соответствует ISO.
Класс защиты IP65.
Возможна установка взрывозащищенной катушки и арматуры.
Может использоваться как взрывозащищенный клапан.
Потребление энергии
| АС(ВА) | 14 |
| DC(Вт) | 12 |
Параметры
| Модель | Усл. проход | Резьба | Рабочее давление МПа | Температура среды (°C) | Темпер. носителя (°C) | Пропускн способность Kv м.куб/час | Частота реакции (Гц) | Рабочее напряже- ние | ||
| SB116-2008B | 10 | G1/4 | 0.03-1.0 | -10-+55 | -10-+90 | 2 | Не менее 1 | AC (В) 50 Гц 24, 36 110, 220 380 DC (В) 24,12 | ||
| SB116-2010B | 10 | G3/8 | 2 | Не менее 1 | ||||||
| SB116-2015B | 10 | G1/2 | 3.6 | Не менее 1 | ||||||
| SB116-2015-14B | 14 | G1/2 | 8.3 | Не менее 0,5 | ||||||
| SB116-2020B | 14 | 03/4 | 8.3 | Не менее 0,5 | ||||||
| SB116-2020-20B | 20 | G3/4 | 11 | Не менее 0,5 | ||||||
| SB116-2025B | 20 | G1 | 11 | Не менее 0,5 | ||||||
| SB116-2032B | 40 | G11/4 | 0.07-1.6 | 25 | Не менее 0,33 | |||||
| SB116-2040B | 40 | G11/2 | 0.07-1.6 | 30 | Не менее 0,33 | |||||
| SB116-2050B | 50 | G2 | 0.07-1.6 | 45 | Не менее 0,33 | |||||

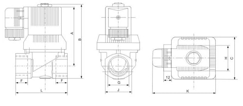
Габаритные размеры
| Модель | G | c | F | L | J | A | B | H | K |
| SB116-2008B | G1/4 | 38 | 14 | 50 | 26 | 71 | 85 | 35 | 80 |
| SB116-2010B | G3/8 | 38 | 14 | 50 | 26 | 71 | 85 | ||
| SB116-2015B | G1/2 | 38 | 14 | 50 | 26 | 71 | 85 | ||
| SB116-2015-14B | G1/2 | 45 | 16 | 58 | 31 | 82 | 96 | ||
| SB116-2020B | G3/4 | 45 | 16 | 58 | 31 | 82 | 96 | ||
| SB116-2020-20B | G3/4 | 65 | 18 | 82 | 41 | 96 | 117 | ||
| SB116-2025B | G1 | 65 | 18 | 82 | 41 | 96 | 117 | ||
| SB116-2032B | G1'/4 | 96 | 20 | 132 | 58 | 112 | 145 | ||
| SB116-2040B | G1V2 | 96 | 20 | 132 | 58 | 112 | 145 | ||
| SB116-2050B | G2 | 111 | 22 | 160 | 70 | 125 | 166 |
производитель
RFS
Если вы хотите купить электромагнитный клапан типа SB116-2В (16 бар +90) , вы можете:
Позвонить:

