Электромагнитный клапан типа SB116-2A (10 бар +90)
Электромагнитный клапан типа RSB116-2AКлапан непрямого действия с мембраной принудительного подъема.
Может работать c нулевого давления.
Нормально закрытый.
Может использоваться до +90°C.
Может использоваться для газа, воды, масла,
слабых кислота и щелочей.
Клапан имеет защиту от гидроудара
Низкий уровень шума и вибрации
Высокая пропускная способность
Высокая надежность, длительный срок службы.
Модель катушки: BD-A-3
Закрыто кожухом из термостабильной пластмассы.
Разъем соответствует ISO.
Класс защиты IP65.
Возможна установка взрывозащищенной катушки и арматуры.
Может использоваться как взрывозащищенный клапан.
Параметры
| Модель | Усл. проход | Присоед. резьба | Рабочее давл. МПа | Темпе-ратура среды (°C) | Темпе-ратура носителя (°C) | Пропускн способнKv м.куб/час | Расход энергии | Частота реакции (Гц) | Рабочее напряжение | |
| AC(ВА) | DC(Вт) | |||||||||
| SB116-2008A | 10 | G1/4 | 0-1.0 | -10-+55 | -10-+90 | 2 | 14 | 8 | Не менее 1 | AC (В) 50 Гц |
| SB116-2010A | 10 | G3/8 | 2 | 14 | 8 | Не менее 1 | 24, 36 110, 220 | |||
| SB116-2015A | 10 | G1/2 | 3.6 | 14 | 8 | Не менее 1 | 380 DC (В) | |||
| SB116-2015-14A | 14 | G1/2 | 8.3 | 14 | 8 | Не менее 0,5 | 24,12 | |||
| SB116-2020A | 14 | G3/4 | 8.3 | 14 | 8 | Не менее 0,5 | ||||
| SB116-2020-20A | 20 | G3/4 | 4.8 | 17 | 20 | Не менее 0,5 | ||||
| SB116-225A | 20 | G1 | 4.8 | 17 | 20 | Не менее 0,5 | ||||

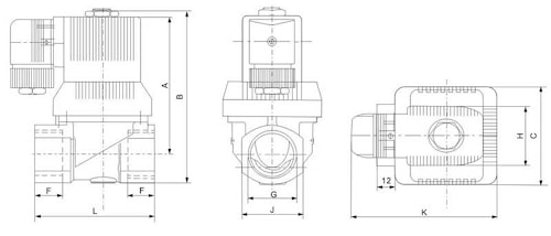
Габаритные размеры
| Модель | G | c | F | L | J | A | B | H | K |
| SB116-2008A | G1/4 | 38 | 14 | 50 | 26 | 71 | 85 | 40 | 80 |
| SB116-2010A | G3/8 | 38 | 14 | 50 | 26 | 71 | 85 | 80 | |
| SB116-2015A | G1/2 | 38 | 14 | 50 | 26 | 71 | 85 | 80 | |
| SB116-2015-14A | G1/2 | 45 | 16 | 58 | 31 | 82 | 96 | 80 | |
| SB116-2020A | G3/4 | 45 | 16 | 58 | 31 | 82 | 96 | 80 | |
| SB116-2020-20A | G3/4 | 65 | 18 | 82 | 41 | 96 | 117 | 95 | |
| SB116-225A | G1 | 65 | 18 | 82 | 41 | 96 | 117 | 95 |
производитель
RFS
Если вы хотите купить электромагнитный клапан типа SB116-2A (10 бар +90) , вы можете:
Позвонить:

