Гидрораспределители золотниковые с электроуправлением стыкового монтажа с аварийным управляющим рычагом серии 4WE-6-EL    Ду6, 60 л/мин, 315 бар
 
   Гидрораспределители 4WE-6-EL представляют собой высокоэффективные устройства, предназначенные для точного контроля потока жидкости в гидравлических системах. Эти гидрораспределители оснащены соленоидом, который обеспечивает автоматическое переключение направления потока, что делает их идеальными для применения в различных промышленных и мобильных гидравлических системах.
Одной из ключевых особенностей этой серии является наличие аварийного управляющего рычага. Это позволяет оператору вручную переключать гидрораспределитель в случае отключения электричества или других нештатных ситуаций, обеспечивая надежность и безопасность работы оборудования. Рычаг управления легко доступен и интуитивно понятен, что упрощает использование гидрораспределителя в экстренных ситуациях.
Гидрораспределители 4WE-6-EL также обладают прочной конструкцией и высокой устойчивостью к воздействиям, что гарантирует их долговечность и надежность в эксплуатации. Эти устройства предлагают широкий диапазон рабочих давлений и температур, что делает их универсальными для использования в различных условиях.
| Параметр | Значение | 
| Размер | 6 | 
| Макс. расход (л/мин) | 60 | 
| Рабочее давление (бар) | A, B, Р 315 / A, B, P порт масла 315 | 
| Т 160 / T порт масла 160 | |
| Вес (кг) клапан с одним соленоидом | 2.2 | 
| Вес (кг) клапан с двумя соленоидами | 2.8 | 

Расходные характеристики (HLP 46, t = 40 ±5 °C)

| Функциональная схема | Направление | |||
| Р-А | Р-В | А-Т | В-Т | |
| A; B | 3 | 3 | - | - | 
| C | 1 | 1 | 3 | 1 | 
| D; Y | 5 | 5 | 3 | 3 | 
| E | 3 | 3 | 1 | 1 | 
| F | 1 | 3 | 1 | 1 | 
| T | 10 | 10 | 9 | 9 | 
| H | 2 | 4 | 2 | 2 | 
| J; Q | 1 | 1 | 2 | 1 | 
| L | 3 | 3 | 4 | 9 | 
| M | 2 | 4 | 3 | 3 | 
| P | 3 | 1 | 1 | 1 | 
| R | 5 | 5 | 4 | - | 
| V | 1 | 2 | 1 | 1 | 
| W | 1 | 1 | 2 | 2 | 
| U | 3 | 3 | 9 | 4 | 
| G | 6 | 6 | 9 | 9 | 
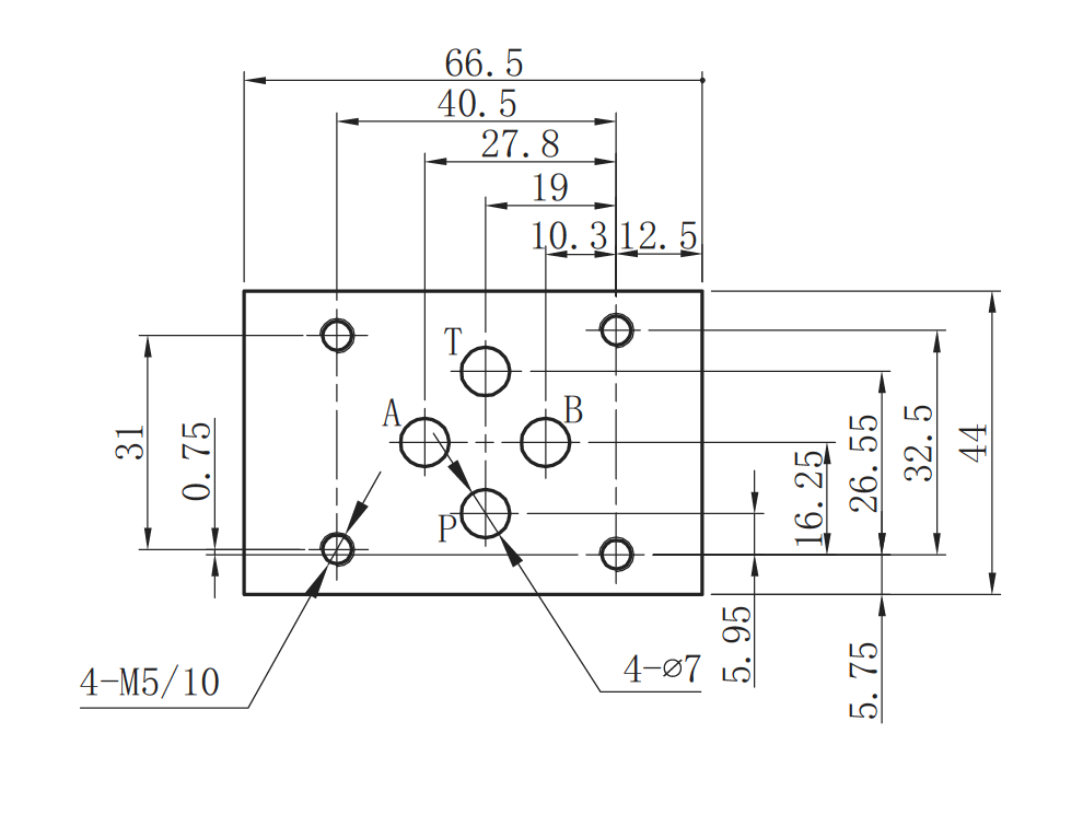
Габаритные размеры:

Размер монтажной поверхности:


 
 
 
 
 
 
 
 
 
 
 
