Гидрораспределители с гидравлическим и электрогидравлическим управлением WEH25, WH25 (1Р203) Ду20, 650 л/мин, 350 бар
Ду20, 650 л/мин, 350 бар
Гидрораспределители с гидравлическим и электрогидравлическим управлением WEH25, WH25 (российский аналог гидрораспределитель 1Р203) золотникового типа применяются в станочном гидроприводе с максимальным расходом до 650 л/мин и давлением до 350 бар. При электрогидравлическом управлении в качестве управляющего золотника используется 4WE6 J (34 сх) для трехпозиционных распределителей, 4WE6 D (574 сх) для двухпозиционных (кроме схем с двухсторонним управлением).
Для гидрораспределителей типа WEH25 существует 4 варианта подвода потока управления и слива управляющего золотника (см.ниже). При заказе нужно указывать нужный вариант гидравлической системы управления.
Возврат золотника в центральное положение может осуществляться пружинами или гидравлическим давлением. Выбор типа возврата золотника определяется необходимой мощностью переключения (см. таблицу ниже)
Гидрораспределтели типа WEH25 аналогичны распределителям 1Р203, 2Р203, Р202, РХ20.
Технические характеристики:
| Характеристика | WEH25 | HWEH25 |
| Рабочее давление, макс. порты P,А,В, Мпа | 28 | 35 |
| Рабочее давление, макс. Порт Т, Мпа | 10 | 10 |
| Рабочее давление, макс. Порт Y, Мпа | 10 | 10 |
| Минимальное давление управления, Мпа | 1,3 | 1,3 |
| Рабочая жидкость | минеральное масло, эфир фосфор. Кислоты | минеральное масло, эфир фосфор. Кислоты |
| Температура рабочей жидкости | -20С-70С | -20С-70С |
| Вязкость, мм2/с | 2,8-380 | 2,8-380 |
| Защита | IP65 | IP65 |
| Масса с одним соленоидом, кг | 17,6 | 17,6 |
| Масса с двумя соленоидами, кг | 18 | 18 |
| Масса WH25, кг | 16,5 | 16,5 |
| Требование к чистоте рабочей жидкости | Не ниже девятого класса по NAS1638 | Не ниже девятого класса по NAS1638 |
Структура условного обозначения гидрораспределителей 4WEH25, номера схем распределения потока:

Присоединение потока управления:
| Yuken | Rexroth | ГОСТ | Усл.обозначение | |
| - | - | АЛ1 | ![]() | подвод от независимого потока, слив независимый |
| X | T | АЛ2 | ![]() | подвод от независимого потока, слив соединен с общим сливом |
| Y | E | АЛ3 | ![]() | подвод от основного потока, слив независимый |
| XY | ET | АЛ4 | ![]() | подвод от основного потока, слив соединен с общим сливом |
Расходные характеристики гидрораспределителей 4WEH25 (измерены при v = 41 мм2/с и t = 50 °C)

| Золотн. | Перекл. положение | |||
| P–A | P–B | A–T | B–T | |
| E | 1 | 1 | 1 | 3 |
| F | 1 | 4 | 3 | 3 |
| G | 3 | 1 | 2 | 4 |
| H | 4 | 4 | 3 | 4 |
| J | 2 | 2 | 3 | 5 |
| L | 2 | 2 | 3 | 3 |
| M | 4 | 4 | 1 | 4 |
| P | 4 | 1 | 1 | 5 |
| Q | 2 | 2 | 3 | 5 |
| R | 2 | 1 | 1 | – |
| U | 2 | 1 | 1 | 6 |
| V | 4 | 4 | 3 | 6 |
| W | 1 | 1 | 1 | 3 |
| T | 3 | 1 | 2 | 4 |
Обозначение соленоидов гидрораспределителей

1. При перемещении золотника от магнита "а" происходит соединение каналов Р—>A, B—>T
2. При перемещении золотника от магнита "b" происходит соединение каналов Р—>B, A—>T
Мощность переключения для гидрораспределителей WEH25 с односторонним управлением
| Допустимый расход qV , л/мин. | Подпорн. золотник необход. при X = внутри | |||||
| Золотник | Рабочее давление pmax, бар | |||||
| 70 | 140 | 210 | 280 | 350 | ||
| возврат основного золотника — пружинный 1) | ||||||
| C, D, K, Z, Y | 700 | 700 | 700 | 700 | 650 | Золотники C в общем, Z прим. до 180 л/мин. |
| возврат основного золотника — пружинный 2) | ||||||
| C | 700 | 700 | 700 | 700 | 650 | |
| D, Y | 700 | 650 | 400 | 350 | 300 | |
| K | 700 | 650 | 420 | 370 | 320 | |
| Z | 700 | 700 | 650 | 480 | 400 | |
| возврат основного золотника — давлением | Золотник HC в общем, HZ прим. до 180 л/мин. | |||||
| HC, HD, HK, | 700 | 700 | 700 | 700 | 700 | |
| HZ, HY | 700 | 700 | 700 | 700 | 700 | |
| HC../O.. | 700 | 700 | 700 | 700 | 700 | |
| HD../O.. | 700 | 700 | 700 | 700 | 700 | |
| HK../O.. | 700 | 700 | 700 | 700 | 700 | |
| HZ../O.. | 700 | 700 | 700 | 700 | 700 | |
| HC../OF.. | 700 | 700 | 700 | 700 | 700 | |
| HD../OF.. | 700 | 700 | 700 | 700 | 700 | |
| HK../OF.. | 700 | 700 | 700 | 700 | 700 | |
| HZ../OF.. | 700 | 700 | 700 | 700 | 700 | |
Мощность переключения для гидрораспределителей WEH25 с двухсторонним управлением
| Допустимый расход qV , л/мин. | Подпорн. золотник необход. при X = внутри | |||||
| Золотник | Рабочее давление pmax, бар | |||||
| 70 | 140 | 210 | 280 | 350 | ||
| центрирование — пружинами | ||||||
| E, L, M, Q, U, W | 700 | 700 | 700 | 700 | 650 | Золотники F, G, H, P и Т в общем, золотник V прибл. до 180 л/мин. |
| G, T | 400 | 400 | 400 | 400 | 400 | |
| F | 650 | 550 | 430 | 330 | 300 | |
| H | 700 | 650 | 550 | 400 | 360 | |
| J | 700 | 700 | 650 | 600 | 520 | |
| P | 650 | 550 | 430 | 330 | 300 | |
| V | 650 | 550 | 400 | 350 | 310 | |
| R | 700 | 700 | 700 | 650 | 580 | |
| центр. — давл. (при мин. управл. давлении 18 бар) | ||||||
| E, F, H, J | 700 | 700 | 700 | 700 | 650 | |
| L, M, P, Q | 700 | 700 | 700 | 700 | 650 | |
| R, U, V, W | 700 | 700 | 700 | 700 | 650 | |
| G, T | 400 | 400 | 400 | 400 | 400 | |
| управляющшее давление > 30 бар | ||||||
| G, T | 700 | 700 | 700 | 700 | 650 | |
Указанные значения расходов достижимы, если управляющее давление не менее 13 бар.
Указанные значения расходов являются граничными, которые могут быть переключены с помощью возвратной пружины при падении управляющего давления.
Переналадка гидравлической системы управления гидрораспределителей с электрогидравлическим управлением WEH25

1. Для переналадки гидрораспределителя WEH25 на подвод давления от внутреннего/внешнего потока следует
снять крышку со стороны канала А и извлечь (для объединения потока) или установить (для разделения) пробку 2.
2. Для объединения слива управления с общим сливом, нужно извлечь пробку 1 из канала Т, для разделения - установить.
Габаритные размеры гидрораспределителей типа 4WEH25 с магнитами постоянного тока, квадратными разъемами

Габаритные размеры гидрораспределителей золотниковых типа 4WEH25 с магнитами постоянного тока, прямым подключением (клеммная коробка)

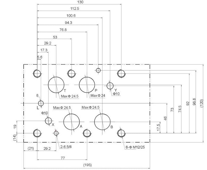
Размер монтажной поверхности для золотниковых распределителей стыкового монтажа Ду20 типа 4WEH16, 4WH16 по ГОСТ26890-86 , CETOP , ISO 4401 , DIN 24 340

Если вы хотите купить гидрораспределители с гидравлическим и электрогидравлическим управлением WEH25, WH25 (1Р203) , вы можете:
Позвонить:
Ещё из раздела гидрораспределители золотниковые CETOP
Схемы распределения рабочей жидкости для гидрораспределителей золотниковых Для удобства мы привели 3 основных вида обозначений схем распределения рабочей жидкости золотниковых гидрораспределителей: по Yuken, Rexroth и ГОСТ. ТРЕХПОЗИЦИОННЫЕ С ДВУМЯ ...





