Гидрораспределители золотниковые с электроуправлением тип 4WE10 (ВЕ10, 1РЕ10)    Ду10, 120 л/мин, 315 бар
 Ду10, 120 л/мин, 315 бар
   Гидрораспределители золотниковые с электроуправлением стыкового монтажа тип 4WE10 (российский аналог гидрораспределитель ВЕ10, 1РЕ10) управляют потоком рабочей жидкости в гидросистемах. Наиболее широко применяются в станкостроении.Устройство и принцип работы гидрораспределителей 4WE10 аналогичен золотниковым распределителям типа 4WE6, отличается только размер.
Гидрораспределители с Ду10 мм рекомендуется применять в малых и средних системах гидропривода с расходом от 30 до 90 литров (зависит от давления и режима работы).
При подборе типоразмера золотникового распределителя нужно учитывать перепад давления для выбранной схемы распределения потока и мощность переключения (см. графики ниже).
Вы можете обратиться к нам и мы рассчитаем оптимальный вариант для каждого конкретного применения.
При первом пуске иногда возникает необходимость вручную, при помощи кнопки ручного дублирования, несколько раз сдвинуть золотник, пока полости электромагнита не заполнятся маслом.
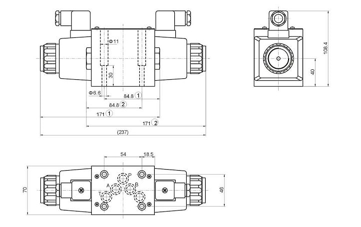
Присоединительные размеры аналогичны гидрораспределителям 1РЕ10, ВЕ10, РХ10 приведены ниже.
Технические характеристики:
| Характеристика | |
| Рабочее давление, макс. порты P,А,В, Мпа | 31.5 | 
| Рабочее давление, макс. Порт Т, Мпа | 10 | 
| Расход макс., л/мин | 120 | 
| Рабочая жидкость | минеральное масло, эфир фосфор. Кислоты | 
| Температура рабочей жидкости | -20С-70С | 
| Вязкость, мм2/с | 2,8-100 | 
| Напряжение управления, постоянный (DC) | 24 | 
| Напряжение управления, переменный (AC) | 220V/50HZ | 
| Максимальная частота переключений, ч-1 | 15000(DC) 7200(AC) | 
| Защита | IP65 | 
| Масса с одним соленоидом, кг | 5.1(DC) 4.3(AC) | 
| Масса сдвумя соленоидами, кг | 6.7(DC) 5,1(AC) | 
| Требование к чистоте рабочей жидкости | Не ниже девятого класса по NAS1638 | 
Структура условного обозначения гидрораспределителей 4WE, номера схем распределения потока

Обозначение соленоидов гидрораспределителей 4WE10

1. При перемещении золотника от магнита "а" происходит соединение каналов Р—>A, B—>T
2. При перемещении золотника от магнита "b" происходит соединение каналов Р—>B, A—>T
Расходные характеристики гидрораспределителей 4WE10 (измерены при v = 41 мм2/с и t = 50 °C)

| Обозн. | Направление потока | |||
| P-A | P-B | A-T | B-T | |
| A, B | 3 | 3 | – | – | 
| C | 3 | 3 | 4 | 5 | 
| D, Y | 5 | 5 | 6 | 6 | 
| E | 1 | 1 | 4 | 4 | 
| F | 2 | 3 | 7 | 4 | 
| G | 3 | 3 | 6 | 7 | 
| H | 1 | 1 | 6 | 7 | 
| J | 1 | 1 | 3 | 3 | 
| L | 2 | 2 | 3 | 5 | 
| M | 1 | 1 | 4 | 5 | 
| P | 4 | 2 | 5 | 7 | 
| Q | 1 | 2 | 1 | 3 | 
| R | 3 | 6 | 4 | – | 
| T | 3 | 3 | 6 | 7 | 
| U, V | 2 | 2 | 3 | 3 | 
| W | 2 | 2 | 4 | 5 | 
| Перекл. | P - A | B - A | A - T | P - T | 
| R | – | 9 | – | – | 
| Средн.пол. | P - A | P - B | B - T | A - T | P - T | 
| F | 4 | – | – | 9 | 9 | 
| P | – | 5 | 8 | – | 10 | 
| G, T | – | – | 9 | ||
| H | – | – | 3 | 
Таблица допустимой мощности переключения (постоянный ток при v = 41 мм2/с и t = 50 °C)

| Характ. | Вариант схемы | 
| 1 | C, C/O, C/OF D, D/O, D/OF Y, M | 
| 2 | E | 
| 3 | A/O, A/OF L, U, J, Q, W | 
| 4 | H | 
| 5 | R | 
| 6 | G | 
| 7 | T | 
| 8 | F, P | 
| 9 | A, B | 
| 10 | V | 
Таблица допустимой мощности переключения (переменный ток 50Гц при v = 41 мм2/с и t = 50 °C)

| Характ. | Вариант схемы | 
| 1 | C, C/O, C/OF D, D/O, D/OF Y  | 
| 2 | E, L, U, Q, W  | 
| 3 | M | 
| 4 | A, B | 
| 5 | A/O, A/OF, J  | 
| 6 | G | 
| 7 | F, P  | 
| 8 | V | 
| 9 | T | 
| 10 | H | 
| 11 | R | 
Габаритные размеры гидрораспределителей типа 4WE10 с магнитами постоянного тока, квадратными разъемами

Габаритные размеры гидрораспределителей типа 4WE10 с магнитами переменного тока, квадратными разъемами

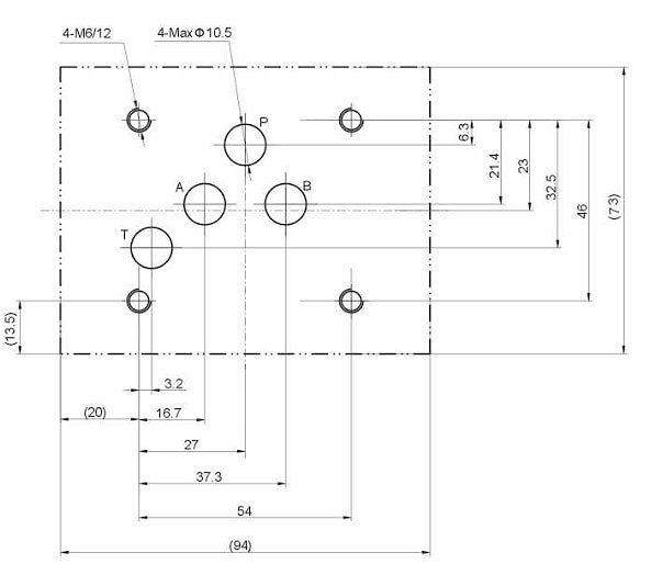
Размер монтажной поверхности для золотниковых распределителей стыкового монтажа Ду10 типа 4WE10 по ГОСТ26890-86 , CETOP , ISO 4401 , DIN 24 340

Если вы хотите купить гидрораспределители золотниковые с электроуправлением тип 4WE10 (ВЕ10, 1РЕ10)   , вы можете:
 Позвонить: 
Ещё из раздела гидрораспределители золотниковые CETOP
Схемы распределения рабочей жидкости для гидрораспределителей золотниковых Для удобства мы привели 3 основных вида обозначений схем распределения рабочей жидкости золотниковых гидрораспределителей: по Yuken, Rexroth и ГОСТ. ТРЕХПОЗИЦИОННЫЕ С ДВУМЯ  ...

