Гидрораспределители с гидравлическим и электрогидравлическим управлением WEH16, WH16 (ВЕХ16, ВХ16) Ду16 CETOP 7, 300 л/мин, 350 бар
Ду16 CETOP 7, 300 л/мин, 350 бар
Гидрораспределители с гидравлическим и электрогидравлическим управлением WEH16, WH16 (российский аналог ВЕХ16, ВЗ16) золотникового типа применяются в станочном гидроприводе с максимальным расходом до 300 л/мин и давлением до 350 бар. Технические характеристики:
| Характеристика | WEH16 | HWEH16 |
| Рабочее давление, макс. порты P,А,В, Мпа | 28 | 35 |
| Рабочее давление, макс. Порт Т, Мпа | 10 | 10 |
| Рабочее давление, макс. Порт Y, Мпа | 10 | 10 |
| Минимальное давление управления, Мпа | 1,2 | 1,2 |
| Рабочая жидкость | минеральное масло, эфир фосфор. Кислоты | минеральное масло, эфир фосфор. Кислоты |
| Температура рабочей жидкости | -20С-70С | -20С-70С |
| Вязкость, мм2/с | 2,8-380 | 2,8-380 |
| Защита | IP65 | IP65 |
| Масса с одним соленоидом, кг | 8,5 | 8,5 |
| Масса сдвумя соленоидами, кг | 8,9 | 8,9 |
| Масса WH16, кг | 7,3 | 7,3 |
| Требование к чистоте рабочей жидкости | Не ниже девятого класса по NAS1638 | Не ниже девятого класса по NAS1638 |
Структура условного обозначения гидрораспределителей 4WEH, номера схем распределения потока:
Присоединение потока управления:
| Yuken | Rexroth | ГОСТ | Усл.обозначение | |
| - | - | АЛ1 | | подвод от независимого потока, слив независимый |
| X | T | АЛ2 | | подвод от независимого потока, слив соединен с общим сливом |
| Y | E | АЛ3 | | подвод от основного потока, слив независимый |
| XY | ET | АЛ4 | | подвод от основного потока, слив соединен с общим сливом |
Расходные характеристики гидрораспределителей 4WEH16 (измерены при v = 41 мм2/с и t = 50 °C)
Схема Е (44)
Схема G (64)
Схема R (104)
Обозначение соленоидов гидрораспределителей
1. При перемещении золотника от магнита "а" происходит соединение каналов Р—>A, B—>T
2. При перемещении золотника от магнита "b" происходит соединение каналов Р—>B, A—>T
Мощность переключения для гидрораспределителей WEH16 с односторонним управлением
| 2-позиционные распределители Допустимый расход qV , л/мин. | Подпорн. золотник необход. при X = внутри | |||||
| Золотник | Рабочее давление pmax, бар 70__ 140 ___210 ___280 __350 | |||||
| возврат основного золотника — пружинный | ||||||
| C, D, K, Z, Y __300 __300__ 300___ 300___ 300 | Золотники C, Z прим. до 160 л/мин. | |||||
| возврат основного золотника — пружинный | ||||||
| C | 300 | 300 | 300 | 300 | 300 | |
| D, Y | 300 | 270 | 260 | 250 | 230 | |
| K | 300 | 250 | 240 | 230 | 210 | |
| Z | 300 | 260 | 190 | 180 | 160 | |
| возврат основного золотника — гидравлический | Золотники HC, HZ прим. до 160 л/мин. | |||||
| HC, HD, HK | 300 | 300 | 300 | 300 | 300 | |
| HZ, HY | 300 | 300 | 300 | 300 | 300 | |
Мощность переключения для гидрораспределителей WEH16 с двухсторонним управлением
| 3-позиционные распределители Допустимый расход qV , л/мин. | Подпорн. золотник необход. при X = внутри | |||||
| Золотник | Рабочее давление pmax, бар 70 ___140 __210 __280__ 350 | |||||
| центрирование — пружинами | ||||||
| E, H, J, L, M, Q, U, W, R | 300 | 300 | 300 | 300 | 300 | Золотники F, G, H, P и S в общем |
| F, P | 300 | 250 | 180 | 170 | 150 | |
| G, T | 300 | 300 | 240 | 210 | 190 | |
| S | 300 | 300 | 300 | 250 | 220 | |
| V 300 250 210 200 180 | ||||||
| центр. — давл. (при мин. управл. давлении 16 бар) | Золотник V до 160 л/мин. | |||||
| для всех золотн. 300 300 300 300 300 | ||||||
Указанные значения расходов достижимы, если управляющее давление не менее 12 бар.
Указанные значения расходов являются граничными, которые могут быть переключены с помощью возвратной пружины при падении управляющего давления.
Переналадка гидравлической системы управления гидрораспределителей с электрогидравлическим управлением WEH16
1. Для переналадки гидрораспределителя WEH16 на подвод давления от внутреннего/внешнего потока следует снять крышку со стороны отверстия "В" (основного распределителя), вынуть и развернуть вставку "2".
2. Для объединения слива управления с общим сливом, нужно выкрутить пробку "1" в катале Т.
Габаритные размеры гидрораспределителей типа 4WEH16 с магнитами постоянного тока, квадратными разъемами
Габаритные размеры гидрораспределителей золотниковых типа 4WEH16 с магнитами постоянного тока, прямым подключением (клеммная коробка)
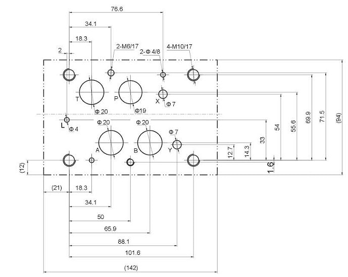
Размер монтажной поверхности для золотниковых распределителей стыкового монтажа Ду16 типа 4WEH16, 4WH16 по ГОСТ26890-86 , CETOP 7 , ISO 4401 , DIN 24 340
производитель
GPA
Если вы хотите купить гидрораспределители с гидравлическим и электрогидравлическим управлением WEH16, WH16 (ВЕХ16, ВХ16) , вы можете:
Позвонить:
Ещё из раздела гидрораспределители золотниковые CETOP
Схемы распределения рабочей жидкости для гидрораспределителей золотниковых Для удобства мы привели 3 основных вида обозначений схем распределения рабочей жидкости золотниковых гидрораспределителей: по Yuken, Rexroth и ГОСТ. ТРЕХПОЗИЦИОННЫЕ С ДВУМЯ ...





