Гидрораспределители золотниковые с ручным управлением тип WMM10 Ду 10, 100 л/мин, 315 бар
Ду 10, 100 л/мин, 315 бар
Гидрораспределители золотниковые с ручным управлением типа WMM10 выпускаются в стыковом исполнении с присоединительными размерами идентичными 4WE10. Для трубного монтажа необходима присоединительная плита 3/8" или 1/2", которая заказывается отдельно.
При давлении менее 25 Мпа и необходимости трубного монтажа мы рекомендуем применять моноблочные золотниковые распределители.
При необходимости уменьшения мощности гидрораспределителя предусмотрена возможность заказа встроенного дросселя.
Гидрораспределители WMM10 взаимозаменяемы с распределителям 1РММ10, ВММ10.
Крепежные болты и уплотнительные кольца поставляются в комплекте.
Гарантия 18 месяцев. Срок службы не менее пяти лет.
Технические характеристики:
| Характеристика | WMM10 |
| Рабочее давление, макс. порты P,А,В, Мпа | 31.5 |
| Рабочее давление, макс. Порт Т, Мпа | 10 |
| Расход макс., л/мин | 100 |
| Рабочая жидкость | минеральное масло, эфир фосфор. Кислоты |
| Температура рабочей жидкости | -20С-70С |
| Вязкость, мм2/с | 2,8-380 |
| Масса, кг | 3,3 |
| Требование к чистоте рабочей жидкости | Не ниже девятого класса по NAS1638 |
Структура условного обозначения гидрораспределителей WMM10, номера схем

Варианты управления гидрораспределителей с ручным управлением WMM10
| Виды управления | |||
| Золотник, схема | Фиксация | Виды распределителей WMM | |
| A, C, D | ../F.. | ![]() | |
![]() | |||
| B, Y | ![]() | ||
| ../F.. | ![]() | ||
| E1–, E, F, G, H, J, L, M, P, Q, R, T, U, V, W | Переключение в "a"=A | ../F.. | ![]() |
![]() | |||
| Переключение в "b"=B | ../F.. | ![]() | |
![]() | |||
| ../F.. | ![]() | ||
| |||
Возможные варианты схем распределения потока
Расходные характеристики гидрораспределителей WMM10 (измерены при v = 41 мм2/с и t = 50 °C)

| Схема | Направление потока | |||
| P–A | P–B | A–T | B–T | |
| A | 4 | 3 | – | – |
| B | 3 | 4 | – | – |
| C | 3 | 3 | 4 | 4 |
| D | 3 | 3 | 5 | 5 |
| E | 2 | 2 | 4 | 4 |
| F | 1 | 2 | 3 | 4 |
| G, T | 4 | 4 | 7 | 7 |
| H | 1 | 1 | 5 | 5 |
| J | 2 | 2 | 3 | 3 |
| L | 3 | 3 | 2 | 4 |
| M | 1 | 1 | 4 | 4 |
| P | 3 | 1 | 5 | 5 |
| Q | 2 | 2 | 2 | 2 |
| R | 3 | 4 | 3 | – |
| U | 3 | 3 | 5 | 2 |
| V | 2 | 2 | 3 | 3 |
| W | 3 | 3 | 3 | 3 |
| Y | 4 | 4 | 6 | 6 |
Таблица допустимой мощности переключения (при v = 41 мм2/с и t = 50 °C)

| Кривая | Номер схемы |
| 1 | A, B |
| 2 | A/O |
| 3 | H |
| 4 | F, G, P, R, T |
| 5 | J, L, Q, U, W |
| 6 | C, D, E, M, V, Y |
| 7 | C/O, C/OF, D/O, D/OF |
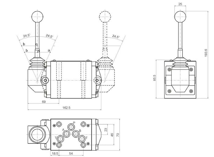
Габаритные размеры гидрораспределителей типа WMM10 с пружинным возвратом

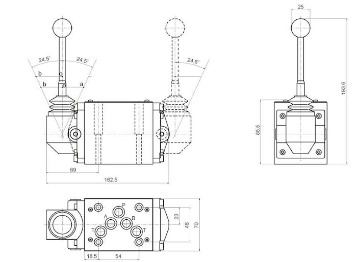
Габаритные размеры гидрораспределителей типа WMM10 с пружинным возвратом

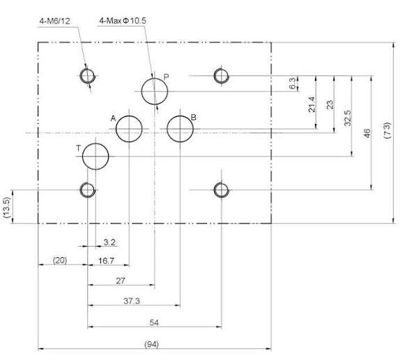
Размер монтажной поверхности для золотниковых распределителей стыкового монтажа Ду10 по ГОСТ26890-86 , CETOP , ISO 4401 , DIN 24 340

производитель
GPA
Если вы хотите купить гидрораспределители золотниковые с ручным управлением тип WMM10 , вы можете:
Позвонить:
Ещё из раздела гидрораспределители золотниковые CETOP
Схемы распределения рабочей жидкости для гидрораспределителей золотниковых Для удобства мы привели 3 основных вида обозначений схем распределения рабочей жидкости золотниковых гидрораспределителей: по Yuken, Rexroth и ГОСТ. ТРЕХПОЗИЦИОННЫЕ С ДВУМЯ ...











