Гидрораспределители золотниковые типа ВЕ43 16 л/мин, 250 бар
16 л/мин, 250 бар
Гидрораспределители золотниковые типа ВЕ43 предназначены для управления потоком рабочей жидкости в гидравлических системах машин и станочного оборудования.Ранее выпускался Вознесенским заводом РКП и является аналогом гидрораспределителя WE5 Bosch Rexroth.
В настоящее время производится в основном в КНР с обозначением WE5.
Стыковая поверхность выполнена по стандарту CETOP5.
При новых разработках настоятельно рекомендуем применять вместо гидрораспределитей ВЕ43 распределители WE4 или 4WE6.
Технические данные гидрораспределителей ВЕ43 (WE5)
| Рабочая жидкость | минеральное масло |
| Расход | 16 л/мин |
| Фильтрация | 10 мкм |
| Номинальная вязкоcть рабочей жидкости | 37 mm 2 /s при 55 o C |
| Диапазон допустимой вязкоcти | 2,8 до 380 mm 2 /s |
| Температура рабочей жидкости | рекомендуемая 40 o C up to 55 o C, максимальная -20 o C up to +70 o C |
| Ambient temperature range | - 20 o C up to +50 o C |
| Максимальное давление | порты P, A, B 25 Mpa, порт T 6 MPa |
| Возможные напряжения | постоянный ток 12V, 24V, 110V , переменный 230V - 50Hz , 110V - 50Hz |
| Мощность электромагнитов, время включения,/выключения | постоянный ток 26 W; переменный 130VA (пуск), 46 VA (удержание) |
| Максимальная частота включений | постоянный ток 15000 в час, переменный ток 7200 в час. |
| Защита | IP 65 |
| Максимальная температура соленоида | 150 o C |
| Масса | 1,4 кг |
Зависимость перепада давления от расхода гидрораспределителей ВЕ43 (WE5)

1- схема В (573Е), 2-схема R (94), 3-схема G (64), 4-остальные схемы
Рабаритные размеры гидрораспределителей ВЕ43 (WE5)

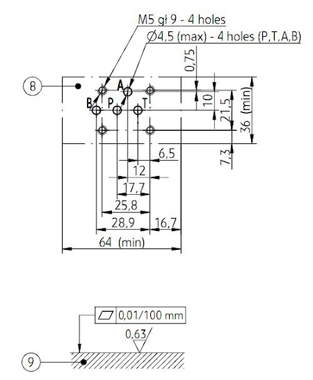
Присоединительные размеры гидрораспределителей ВЕ43 (WE5)

Устройство гидрораспределителей ВЕ43 (на примере схемы 64)

1- корпус
2- золотник
3- электромагниты
4- центрирующая пружина
5- ручное дублирование
Номенклатура гидрораспределителей ВЕ43 с заменой на WE5
| ВЕ43-24 Г12 Н УХЛ4 | 4WE5-M/6.5G12NZ4 |
| ВЕ43-64 Г12 Н УХЛ4 | 4WE5-G/6.5G12NZ4 |
| ВЕ43-34 Г12 Н УХЛ4 | 4WE5-J/6.5G12NZ4 |
| ВЕ43-54 Г12 Н УХЛ4 | 4WE5-F/6.5G12NZ4 |
| ВЕ43-573 Г12 Н УХЛ4 | 4WE5-A/6.5G12NZ4 |
| ВЕ43-574А Г12 Н УХЛ4 | 4WE5-D/6.5G12NZ4 |
| ВЕ43-24 Г24 Н УХЛ4 | 4WE5-M/6.5G24NZ4 |
| ВЕ43-34 Г24 Н УХЛ4 | 4WE5-J/6.5G24NZ4 |
| ВЕ43-54 Г24 Н УХЛ4 | 4WE5-F/6.5G24NZ4 |
| ВЕ43-573 Г24 Н УХЛ4 | 4WE5-A/6.5G24NZ4 |
| ВЕ43-574А Г24 Н УХЛ4 | 4WE5-D/6.5G24NZ4 |
| ВЕ43-24 Г48 Н УХЛ4 | - |
| ВЕ43-34 Г48 Н УХЛ4 | - |
| ВЕ43-54 Г48 Н УХЛ4 | - |
| ВЕ43-573 Г48 Н УХЛ4 | - |
| ВЕ43-754А Г48 Н УХЛ4 | - |
| ВЕ43-24 В110 Н УХЛ4 | 4WE5-M/6.2W110NZ4 |
| ВЕ43-34 В110 Н УХЛ4 | 4WE5-J/6.2W110NZ4 |
| ВЕ43-54 В110 Н УХЛ4 | 4WE5-F/6.2W110NZ4 |
| ВЕ43-573 В110 Н УХЛ4 | 4WE5-A/6.2W110NZ4 |
| ВЕ43-754А В110 Н УХЛ4 | 4WE5-D/6.2W110NZ4 |
| ВЕ43-24 В220 Н УХЛ4 | 4WE5-M/6.2W230NZ4 |
| ВЕ43-34 В220 Н УХЛ4 | 4WE5-J/6.2W230NZ4 |
| ВЕ43-54 В220 Н УХЛ4 | 4WE5-F/6.2W230NZ4 |
| ВЕ43-573 В220 Н УХЛ4 | 4WE5-A/6.2W230NZ4 |
| ВЕ43-574А В220 Н УХЛ4 | 4WE5-D/6.2W230NZ4 |
Если вы хотите купить гидрораспределители золотниковые типа ВЕ43 , вы можете:
Позвонить:
Ещё из раздела гидрораспределители золотниковые CETOP
Схемы распределения рабочей жидкости для гидрораспределителей золотниковых Для удобства мы привели 3 основных вида обозначений схем распределения рабочей жидкости золотниковых гидрораспределителей: по Yuken, Rexroth и ГОСТ. ТРЕХПОЗИЦИОННЫЕ С ДВУМЯ ...

