Гидрораспределители золотниковые c электромагнитным управлением RH06    Ду06, 350 бар
 Ду06, 350 бар
 Гидрораспределители золотниковые стыкового монтажа с прямым электромагнитным управлением.
   Гидрораспределители золотниковые стыкового монтажа с прямым электромагнитным управлением.Технические характеристики:
| Положение установки | любое, горизонтальное для схем: "08","19", "20" и "82" | |
| Макс. температура окружающей среды | oC | -20...+50 | 
| Масса с одним соленоидом | kg | 1,600 | 
| Масса с двумя соленоидами | kg | 2,200 | 
| Гидравлическая часть: | ||
| Макс давление в портах P , A, B | MPa | 32 | 
| Макс. давление порт Т | MPa | 16 | 
| Номинальный расход при перепаде (до 0,1MPa.) | l/min | 11...20 | 
| Макс. расход (зависит от схемы см. ниже.) | l/min | 80 | 
| Гидравлические минеральные масла: | ||
| -вязкость | mm2/s | 10...800 | 
| -тонкость фильтрации | mm | 0.025 | 
| -температура | oC | -20...80 | 
| Электрическая часть: | ||
| Цикл нагрузки | % | 100 | 
| Защита | IP65 | |
| Изоляция | H | |
| Напряжение питания | DC (постоянный) AC (переменный) | |
| 12/00 110/50(60) | ||
| V/Hz | 24/00 220/50(60) | |
| 48/00 | ||
| Допустимое отклонение напряжения | % | ±10 | 
| Сила тока 12VDC | 2,4 | |
| Сила тока 24VDC | 1,3 | |
| Сила тока 48VDC | A | 0,58 | 
| Сила тока 110V RAC | A | 0,5 | 
| Сила тока 220V RAC | 0,25 | |
| Макс. частота переключений | мин-1 | 15000 | 
| Время включения/выключения при p = 17,5MPa , Q=40l/min (измерено для схемы "01") | ms | 50/25 | 
Устройство гидрораспределителя RH06
 
 Условное обозначение:
 
 Схемы распределения рабочей жидкости для гидрораспределителей RH06
| Обозначение | Условное обозначение | Последовательность соединения каналов при переключении | Обозначение | Условное обозначение | Последовательность соединения каналов при переключении | 
| 00 |   |   | 28 |   |   | 
| 01 |   |   | 32 |   |   | 
| 02 |   |   | 33 |   |   | 
| 04 |   |   | 34 |   |   | 
| 05 |   |   | 36 |   |   | 
| 06 |   |   | 39 |   |   | 
| 08 |   |   | 40 |   |   | 
| 10 |   |   | 41 |   |   | 
| 11 |   |   | 42 |   |   | 
| 12 |   |   | 45 |   |   | 
| 13 |   |   | 52 |   |   | 
| 14 |   |   | 61 |   |   | 
| 16 |   |   | 62 |   |   | 
| 17 |   |   | 64 |   |   | 
| 18 |   |   | 68 |   |   | 
| 19* |   |   | 70 |   |   | 
| 20* |   |   | 78 |   |   | 
| 21 |   |   | 82* |   |   | 
| 24 |   |   | 83 |   |   | 
| 26 |   |   | 98 |   |   | 
| 27 |   |   | 99 |   |   | 
*Схемы 19, 20, 82 с фиксацией золотника, для экономии энергии при длительных включениях.
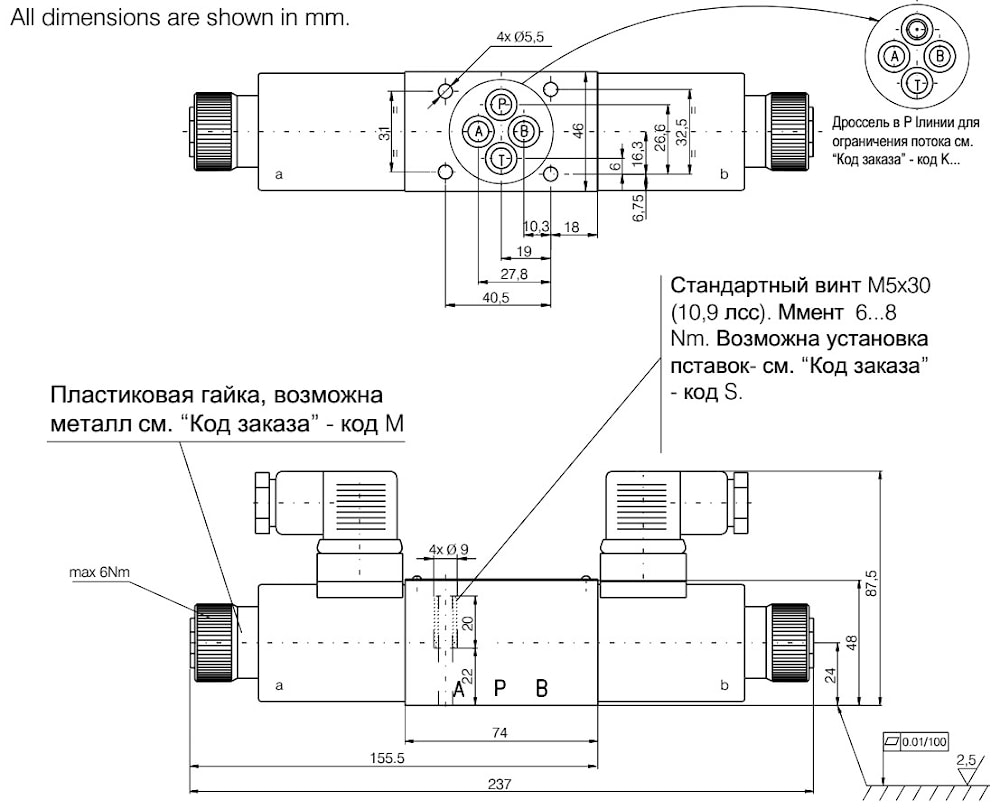
Размеры в мм:
 
  
 Характеристики падение давления от расхода:
 
 Характеристики ограничения по мощности переключения:
 
 Ограничение по мощности переключения указано для двунаправленного потока (например из Р в А и из В в Т). Для однонаправленного потока ограничение по мощности может быть значительно увеличено.
Измерено при вязкости маслаl 35 cSt , температуре 50 C° и напряжении 90% от номинального.
Электромагниты распределителей RH06

В катушке переменного тока (AC) дополнительно встроен диодный мост. В остальном она идентична катушке постоянного тока.
Уплотнения:

Если вы хотите купить гидрораспределители золотниковые c электромагнитным управлением RH06   , вы можете:
 Позвонить: 
Ещё из раздела гидрораспределители золотниковые CETOP
Схемы распределения рабочей жидкости для гидрораспределителей золотниковых Для удобства мы привели 3 основных вида обозначений схем распределения рабочей жидкости золотниковых гидрораспределителей: по Yuken, Rexroth и ГОСТ. ТРЕХПОЗИЦИОННЫЕ С ДВУМЯ  ...

 
 
 
 
 
 
 
 
 
 
 
