Трехлинейный регулятор расхода с предохранительным клапаном RF70PV 70 л/мин, 250 бар
70 л/мин, 250 бар
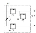
Трехлинейный регулятор расхода с предохранительным клапаном RF70PV применяется для регулирования расхода рабочей жидкости в гидросистеме а так же для ограничения давления.
| Код | IN-В BSP | P-T BSP | Q MAX l/min IN | P MAX bar | Тип | L | E | El | HI | H | s | kg |
| V6215.0323 | 3/4" | 1/2" | 80 | 250 | RF70 PV/G U | 106 | 24,5 | 52 | 128 | 101 | 80 | 2,04 |
Исполнения по давлению: Х = 10:100 бар, U= 50:230 бар (стандарт) , K = 100:250 бар
Если вы хотите купить трехлинейный регулятор расхода с предохранительным клапаном RF70PV , вы можете:
Позвонить:

