Трехлинейный регулятор потока фланцевого монтажа на гидромоторы типа OMS Danfoss RFP3 OMS    350 бар, до 80 л/мин
 350 бар, до 80 л/мин
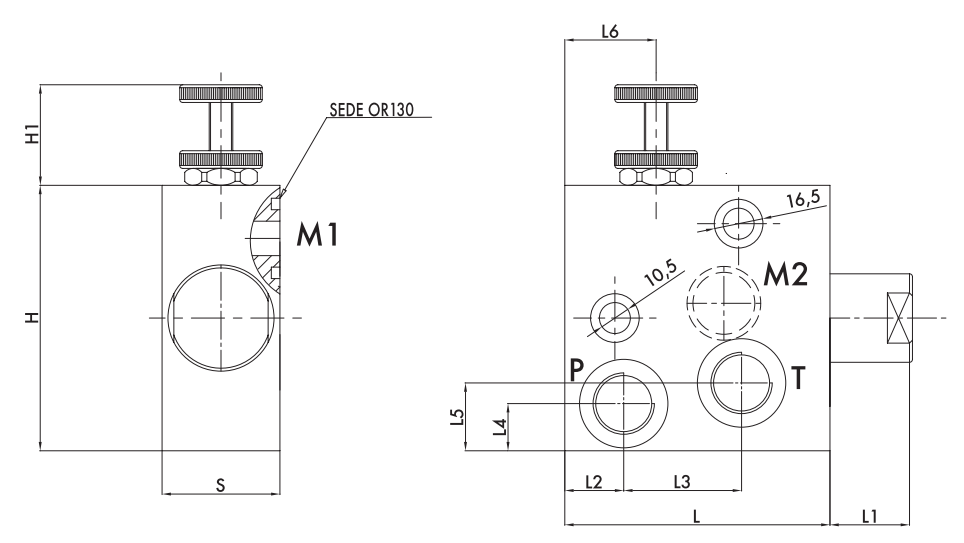
 Предназначен для поддержания постоянного потока в линии потребителя "P" и свободного слива избыточного потока в канал "T".
   Предназначен для поддержания постоянного потока в линии потребителя "P" и свободного слива избыточного потока в канал "T". регулятор монтируется непосредственно на гидромотор типа OMS
Материал корпуса: оцинкованная сталь
Материал компонентов: закаленная сталь
Уплотнения: BUNA N (стандартно)
Утечки: несколько капель / мин
 
 Подключение: M1, M2 - к гидромотору, Р - насос, Т - Бак (слив)
Технические данные:
| КОД | ТИП | Макс. расход, л/мин основной поток | Макс. расход, л/мин регулируемый поток | Давление макс., бар | 
| V1122 | RFP3 1/2" OMS | 60 | 50 | 350 | 
 
 | КОД | ТИП | P.T | L | Ll | L2 | L3 | u | L 5 | L6 | H | HI | s | Масса | 
| GAS | mm | mm | mm | mm | mm | mm | mm | mm | mm | mm | kg | ||
| V1122 | RFP3 1/2" OMS | Gl/2" | 90 | 26 | 20 | 40 | 16 | 23 | 31 | 90 | 35 | 40 | 2,410 | 
Если вы хотите купить трехлинейный регулятор потока фланцевого монтажа на гидромоторы типа OMS Danfoss RFP3 OMS   , вы можете:
 Позвонить: 

 
 
 
 
 
 
 
 
 
 
 
 
