Клапан обратный гидроуправляемый одностороннего действия (гидрозамок) тип VRPE односторонний
односторонний
Клапан VRPE применяется для запирания полостей гидродвигателя при падении давления в гидросистеме. Клапан VRPE пропускает прямой поток рабочей жидкости, а обратный поток возможен только после принудительного открывания запорного элемента с помощью гидравлически управляемого плунжера.
| Вязкоcть масла | 10-500 мм2/s |
| Требования к чистоте масла | SAE класс 4 или выше |
| Температура рабочей жидкости | от -20 до +80С |
| Температура окружающей среды | от -20 до +50С |
| Максимальное давление | 30-35 Мпа (300-350 бар) |
| Масса | 0,75 - 3,6 кг |
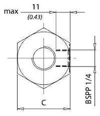
Технические характеристики
| Технические характеристики | ||||||
| Модель | A | Макс. расход л/мин | Макс. давл., бар | L | C | Масса, кг. |
| VRPE140 | BSPP1/4 | 25 | 350 | 100 | 36 | 0,75 |
| VRPE380 | BSPP3/8 | 40 | 350 | 105 | 41 | 1 |
| VRPE120 | BSPP1/2 | 60 | 350 | 125 | 41 | 1,1 |
| VRPE340 | BSPP3/4 | 100 | 300 | 130 | 55 | 2 |
| VRPE100 | BSPP1 | 150 | 300 | 166 | 65 | 3,6 |
производитель
OLEOWEB
Если вы хотите купить клапан обратный гидроуправляемый одностороннего действия (гидрозамок) тип VRPE , вы можете:
Позвонить:

