Гидрозамок одностороннего действия стыкового исполнения VBPSE FL 350 бар, до 55 л/мин односторонний
Гидрозамок одностороннего действия VBPSE FL
Материал корпуса: оцинкованная сталь
Материал компонентов: закаленная сталь
Уплотнения: BUNA N (стандартно)
Тип запирающего элемента: без утечек
Подключение: Подключите V1 и V2 к напорным линиям, C1 к свободно линии цилиндра, С2 к запираемой полости цилиндра.
По заказу:
- без уплотнений в управляющей линии
- пружина 1 бар
- пружина 8 бар
Рабочие характеристики при температуре масла 50°С и вязкости 30сСт
Технические данные:
| КОД | ТИП | PILOT RATIO | Макс. расход, л/мин | Макс. давление, бар. | Давление открытия, бар |
| V0268 | VBPSE 1/4" FL | 1:5,5 | 20 | 350 | 4,5 |
| V0269 | VBPSE 3/8" FL | 1:5,5 | 30 | 350 | 4,5 |
| V0270 | VBPSE 1/2" FL | 1:4,5 | 55 | 350 | 5,5 |
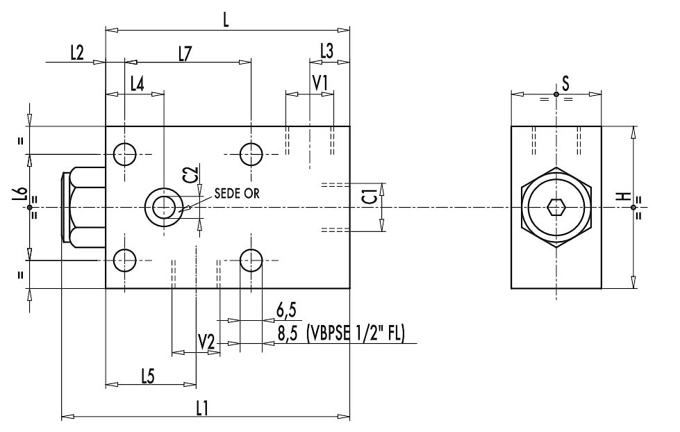
Размеры:

| КОД | ТИП | VI - V2 Cl GAS | C2 mm | L mm | Ll mm | L2 mm | L3 mm | L4 mm | L5 mm | L6 mm | L7 mm | H mm | S mm | Кольцо, мм | Масса, кг |
| V0268 | VBPSE 1/4" FL | G 1/4" | 05 | 70 | 83 | 6,5 | 13 | 15,5 | 27 | 35 | 35 | 50 | 30 | 1,78x12,42 | 1,028 |
| V0269 | VBPSE 3/8" FL | G 3/8 " | 06,5 | 75 | 88 | 10 | 14 | 14 | 29 | 40 | 35 | 60 | 30 | 1,78x12,42 | 0,924 |
| V0270 | VBPSE 1/2" FL | G 1/2" | 09 | 100 | 116 | 10,5 | 18 | 18 | 32 | 40 | 40 | 80 | 35 | 2,62x15,54 | 1,900 |
Аналоги других производителей:
| Oleodinamica Marchesini | MTC (Walvoil) | Oleoweb | Luen | Gumec | HBC | VILLA | BOSCH REXROTH |
| VBPSE 1/4" FL | VBPSF 14 | VNR-C-SO-SE-14-FC1 (003 040 OJO)* | |||||
| VBPSE 3/8" FL | VBPSF 38* | VNR-C-SO-SE-38-FC1 (003 042 OJO)* | POC-1-FL-3/8-G* | A050305.02.00 | VSO-SE-FC1 05.52.86 – 10-02-01 | ||
| VBPSE 1/2" FL | VBPSF 12 | VNR-C-SO-SE-12-FC1 (003 043 OJO)* | POC-1-FL-1/2-G | LVSFLR03 | VSO-SE-FC1 05.52.02 –10-03-01 |
*- функциональные аналоги, не совпадают присоединительные размеры

