Гидрозамок одностороннего действия тип А VBPSE A 350 бар, до 55 л/мин односторонний
Гидрозамок двустороннего действия VBPSE A
Материал корпуса: оцинкованная сталь
Материал компонентов: закаленная сталь
Уплотнения: BUNA N (стандартно)
Тип запирающего элемента: без утечек
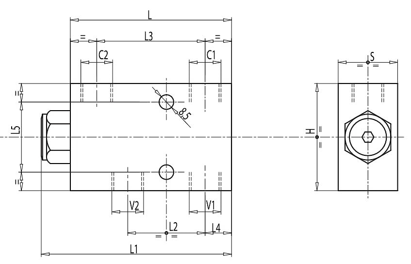
Подключение: Подключите С2 к запираемой полости, V2 к распределителю, С1 к цилиндру, V1 к распределителю.
По заказу:
- без уплотнений в управляющей линии
- пружина 1 бар
- пружина 8 бар
Рабочие характеристики при температуре масла 50°С и вязкости 30сСт
Технические данные:
| КОД | ТИП | PILOT RATIO | Расход, макс. л/мин | Давление, макс., бар | Давление открытия, бар |
| V0272 | VBPSE 1/4" A | 1:5,5 | 20 | 350 | 4,5 |
| V0274 | VBPSE 3/8" A | 1:5,5 | 30 | 350 | 4,5 |
| V0276 | VBPSE 1/2" A | 1:4,5 | 55 | 350 | 5,5 |
Размеры гидроклапанов VBPSE A:

| КОД | ТИП | VI - V2, Cl -C2 | L | Ll | L2 | L3 | L4 | L5 | H | S | Масса |
| GAS | mm | mm | mm | mm | mm | mm | mm | mm | КГ | ||
| V0272 | VBPSE 1/4" A | G 1/4" | 80 | 96 | 33,5 | 50 | 15 | 40 | 60 | 30 | 1,028 |
| V0274 | VBPSE 3/8" A | G 3/8" | 80 | 96 | 33,5 | 50 | 15 | 40 | 60 | 30 | 0,996 |
| V0276 | VBPSE 1/2" A | G 1/2" | 105 | 121 | 49 | 70 | 17,5 | 40 | 80 | 35 | 2,000 |
Аналоги других производителей:
| Oleodinamica Marchesini | MTC (Walvoil) | Oleoweb | Luen | Gumec | HBC | VILLA | BOSCH REXROTH |
| VBPSE 1/4" A | VNR-C-SO-SE-14 (003 036 OJO)* | POC-1-IL-1/4-G | VSO-SE 05.52.79 –10-97-01 | ||||
| VBPSE 3/8" A | VBPSL/T 38 | VNR-C-SO-SE-38 (003 038 OJO)* | POC-1-IL-3/8-G | A050301.01.00 | LVSL 02 | ||
| VBPSE 1/2" A | VBPSL/T 12 | VRP120* | VNR-C-SO-SE-12 (003 039 OJO) | POC-1-IL-1/2-G | A050401.01.00 | LVSL 25 | VSO-SE 05.52.01-25-03-01 |
*- функциональные аналоги, не совпадают присоединительные размеры
производитель
Oleodinamica Marchesini

