Гидрозамок одностороннего действия VBPSE PS 350 бар, до 35 л/мин односторонний
350 бар, до 35 л/мин
односторонний

Эти клапаны используются для блокировки цилиндра в одном направлении. Поток свободен в одном направлении и заблокирован в обратном до тех пор, пока не появится давление в линии пилота. Данная модель нечувствительна к обратному давлению на линии V. Рекомендуется монтаж на двух или более параллельных цилиндрах с клапаном последовательности для обеспечения сбалансированного и мягкого опускания.
Материал корпуса: оцинкованная сталь
Материал компонентов: закаленная сталь
Уплотнения: BUNA N (стандартно)
Тип запирающего элемента: без утечек
Схема гидравлическая:

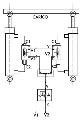
Подключение: Подключите V1 и V2 к напорным линиям, C1 и С2 к полости цилиндра, C2 - к полости, которую надо заблокировать.
Рекомендуемая монтажная схема для двух цилиндров:

Рабочие характеристики при температуре масла 50°С и вязкости 30сСт

Технические данные:
КОД | ТИП | PILOT RATIO | Макс. расход, л/мин | Макс. давленеие, бар | макс. давление открытия. |
V0231 | VBPSE 3/8 PS | 1:12 | 35 | 350 | 3 |
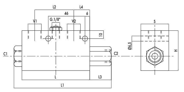
Размеры:

КОД | ТИП | VI • V2 Cl • C2 | L | Ll | L2 | L3 | L4 | H | s | МАССА |
CODE | TYPE | GAS | mm | mm | mm | mm | mm | mm | mm | kg |
V0231 | VBPSE 3/8" PS | G3/8" | 85 | 122 | 49 | 27 | 20 | 50 | 35 | 0,69 |
производитель
Oleodinamica Marchesini
Если вы хотите купить гидрозамок одностороннего действия VBPSE PS , вы можете:
Позвонить: