Гидрозамок одностороннего действия с краном VBPSE / RUBINETTO 350 бар до 50 л/мин
Гидрозамок одностороннего действия с краном тип VBPSE c/RUB предназначен для блокирования гидромотора или гидроцилиндра в обоих направлениях.
Этот клапан пропускает поток в одном направлении свободно и блокирует в обратном, если нет управляющего сигнала.
Гидрозамки с краном имеет повышенную безопасность по сравнению с обычными гидрозамками, поэтому они идеально подходят для монтажа на гидравлические опоры кранов. Запорная система позволяет исключить любой риск, вызванный возможным перемещением штока цилиндра.
Характеристики расхода:
Технические характеристики:
| КОД | ТИП | PILOT RATIO | Мак. расход, л/мин. | Макс. давление, бар | Давление открытия, бар |
| V0072/SE | VBPSE 1/4" Lc/RUBINETTO | 1:5,5 | 20 | 350 | 4 |
| V0074/SE | VBPSE 3/8" Lc/RUBINETTO | 1:5,5 | 30 | 350 | 3 |
| V0076/SE | VBPSE 1/2" Lc/RUBINETTO | 1:5 | 50 | 350 | 3 |
| V0132/SE* | VBPSE 1/4" L c/RUB. 2 CEXC | 1:5,5 | 20 | 350 | 4 |
| V0134/SE* | VBPSE 3/8" L c/RUB. 2 CEXC | 1:5,5 | 30 | 350 | 4 |
| V0136/SE* | VBPSE 1/2" L c/RUB. 2 CC | 1:5 | 50 | 350 | 3 |
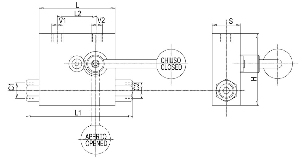
Размеры:

| КОД | ТИП | VI - V2 Cl - C2 GAS/mm | L mm | LI mm | L2 mm | H mm | S mm | МАССА, кг |
| V0072/SE | VBPSE 1/4" Lc/RUBINETTO | G 1/4" | 64 | 112 | 34 | 60 | 30 | 0,994 |
| V0074/SE | VBPSE 3/8" L c/RUBINETTO | G 3/8" | 64 | 118 | 36 | 60 | 30 | 0,964 |
| V0076/SE | VBPSE 1/2" Lc/RUBINETTO | G 1/2" | 90 | 142 | 45 | 70 | 35 | 1,708 |
| V0132/SE* | VBPSE 1/4" L c/RUB. 2 CEXC | G 1/4" 12L | 64 | 131 | 34 | 60 | 30 | 1,006 |
| V0134/SE* | VBPSE 3/8" L c/RUB. 2 CEXC | G 3/8" 12L | 64 | 131 | 36 | 60 | 30 | 0,982 |
| V0136/SE* | VBPSE 1/2" L c/RUB. 2 CC | G 1/2" 15L | 90 | 164 | 45 | 70 | 35 | 1,752 |
* трубное присоединение DIN 2353
Аналоги других производителей:
| Oleodinamica Marchesini | MTC (Walvoil) | Oleoweb | Luen | Gumec | HBC | VILLA | BOSCH REXROTH |
| VBPSE 1/4" Lc/RUBINETTO | VBPSL/RS14 (D правый) | VRC-SE-OIL-14-D-S (003 341 OXO)* (Y – Левый) | |||||
| VBPSE 3/8" L c/RUBINETTO | VBPSL/VP/RS38 (D правый) | VRC-SE-OIL-38-D-S (003 297 OXO) (Y – Левый) | POC-1-RSX*-3/8G (D – правый) | B050304.06.00 | LVSLRS 02 | VSO-SE-DL-SX 05.52.26 – 10-02-00 | |
| VBPSE 1/2" Lc/RUBINETTO | VBPSL/VP/RS12 (D правый) | VRC-SE-OIL-12-D-S (003 348 OXO)* (Y – Левый) | VSO-SE-DL-SX 05.52.26 – 10-03-00 | ||||
| VBPSE 1/4" L c/RUB. 2 CEXC | VRPSE01AL (R правый) | ||||||
| VBPSE 3/8" L c/RUB. 2 CEXC | VRPSE015AL (R правый) | ||||||
| VBPSE 1/2" L c/RUB. 2 CC | VRPSE025AL (R правый) |
*- функциональные аналоги, не совпадают присоединительные размеры
производитель
Oleodinamica Marchesini

