Минигидростанция с гидрозамком для управления двусторонними гидроцилиндрами 5717-01 0.75 кВт, 6 л/мин, 60 бар
0.75 кВт, 6 л/мин, 60 бар
Гидростанция с гидрозамком для управления двусторонними гидроцилиндрами. Подходит для различных типов подъёмников, толкателей, прижимов и т.д. Гидрозамок обеспечивает надежную фиксацию исполнительного механизма на неограниченное время.
| Технические характеристики | |
| Параметр | Значение |
| Электродвигатель | |
| Мощность, кВт | 0,75 |
| Напряжение, В | 380 |
| Частота вращения, об/мин | 1500 |
| Насос | |
| Рабочий объём, см3 | 4,2 |
| Максимальное давление, бар | 60 |
| Подача, л/мин | 6 |
| Гидробак | |
| Объём, л | 6 |
| Размещение | вертикально |
| Размеры | |
| Высота | 290 |
| Длина | 222 |
| Ширина | 212 |
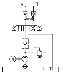
Гидравлическая схема:

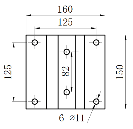
Габаритные размеры кронштейна крепления:

Если вы хотите купить минигидростанция с гидрозамком для управления двусторонними гидроцилиндрами 5717-01 , вы можете:
Позвонить:

