Минигидростанция для управления односторонними гидроцилиндрами 5717-03 2.2 кВт, 6 л/мин, 200 бар
Гидростанция для управления односторонними гидроцилиндрами предназначена для выполнения подъёмных и опускных операций с нагрузкой. В её составе имеется электродвигатель, который при подаче напряжения приводит в движение гидронасос, обеспечивая подачу рабочей жидкости и выдвижение штока цилиндра. Для опускания штока используется электромагнитный клапан: при подаче на него сигнала он открывается, позволяя жидкости плавно возвращаться в бак.
Особую роль в системе играет дроссель, который регулирует скорость опускания штока, обеспечивая плавное и контролируемое движение без рывков. Такая гидростанция широко применяется в подъёмниках, домкратах и других механизмах, где требуется точное и надёжное управление односторонними гидроцилиндрами. Благодаря простоте конструкции и удобству управления, она обеспечивает эффективную работу оборудования в различных сферах.
| Технические характеристики | |
| Параметр | Значение |
| Электродвигатель | |
| Мощность, кВт | 2,2 |
| Напряжение, В | 380 |
| Частота вращения, об/мин | 1500 |
| Насос | |
| Рабочий объём, см3 | 4,2 |
| Максимальное давление, бар | 200 |
| Подача, л/мин | 6 |
| Гидробак | |
| Объём, л | 12 |
| Размещение | горизонтально |
| Размеры | |
| Высота | 226 |
| Длина | 890 |
| Ширина | 215 |
Гидравлическая схема:

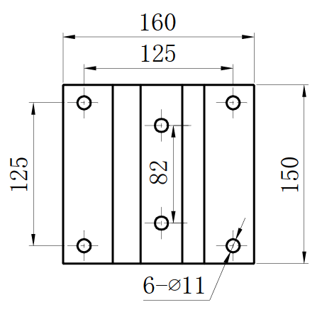
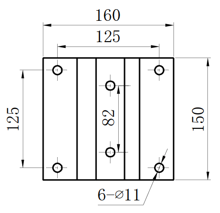
Габаритные размеры кронштейна крепления:


