Универсальная минигидростанция МРР5-0199 1,5 кВт, 2,5 л/мин, 200 бар
1,5 кВт, 2,5 л/мин, 200 бар
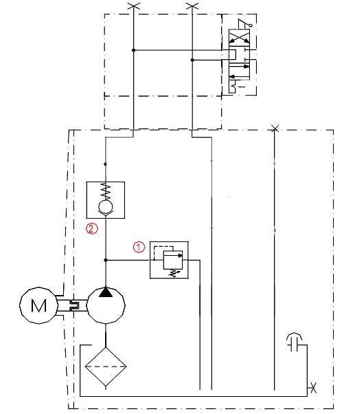
Универсальная минигидростанция МРР5-0199 предназначена для питания различных гидравлических устройств и приспособлений, например небольших прессов, дровоколов, пробойников и т.п. где необходимо высокое давление. Может комплектоваться однофазным электродвигателем.| Характеристика | МРР5 |
| Производительность, л/мин | 2,5 |
| Тип насоса | шестеренный |
| Давление, максимальное, Мпа | 200 |
| Электродвигатель | асинхронный |
| Частота вращения электродвигателя, об/мин | 3000 |
| Напряжение, В | 230 |
| Мощность, кВт | 1,5 |
| Ёмкость гидробака, л | 5 |
| Габаритные размеры, мм | |
| Длина | 500 |
| Ширина | 250 |
| Высота | 250 |
| Условия эксплуатации | |
| Температура окружающей среды, оС | 0- 60 |
| Вязкость жидкостей, мм2/с | от 15 до 350 |

производитель
GPA
Если вы хотите купить универсальная минигидростанция МРР5-0199 , вы можете:
Позвонить:

