Гидростанция опрокидывателя бункера картофеля 2,5 тонн
Гидростанция предназначена для управления двусторонним гидроцилиндром опрокидывателя бункера массой до 3-х тоннВозможна поставка комплекта с гидроцилиндрами и дополнительными клапанами.
| Характеристика | МРР330 | возможные варианты исполнения |
| Производительность, л/мин | 6 | от 1 до 15-ти |
| Тип насоса | шестеренный | |
| Давление, максимальное, Мпа | 18 | от 2 до 20-ти |
| Электродвигатель | трёхфазный асинхронный | постоянного тока |
| Частота вращения электродвигателя, об/мин | 3000 | |
| Напряжение, В | 380 | 12, 24 В |
| Мощность, кВт | 3 | от 0,15 до 4 |
| Ёмкость гидробака, л | 20 | от 1 до 30-ти |
| Габаритные размеры, мм | ||
| Длина | 300 | |
| Ширина | 400 | |
| Высота | 600 | |
| Условия эксплуатации | ||
| Температура окружающей среды, оС | 0- 60 | |
| Вязкость жидкостей, мм2/с | от 15 до 350 |
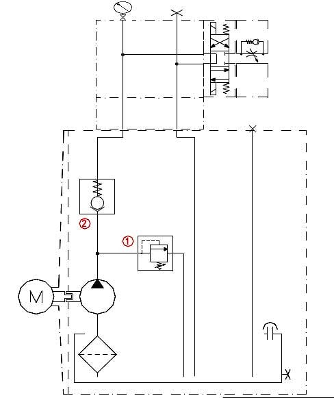
Схема гидравлическая:

производитель
GPA
Если вы хотите купить гидростанция опрокидывателя бункера картофеля 2,5 тонн , вы можете:
Позвонить:

