Гидростанция для автоподъемника 2.2 кВт, 380В, 6 л/мин, 180 бар
Предназначение
Гидростанция для автоподъемника подходит для всех типов подъемников автосервиса (Двухстоечные, четырехстоечные, ножничные, для сход-развала, парковочные).
| Технические характеристики | |
| Параметр | Значение |
| Электродвигатель | |
| Мощность, кВт | 2,2 |
| Напряжение, В | 380 |
| Частота вращения, об/мин | 2850 |
| Насос | |
| Рабочий объём, см3 | 2 |
| Максимальное давление, бар | 180 |
| Подача, л/мин | 6 |
| Гидробак | |
| Объём, л | 11 |
| Размещение | вертикально |
| Размеры | |
| Высота | 750 |
| Длина | 295 |
| Ширина | 178 |
Описание установки
Минигидростанция состоит из компактно расположенных компонентов, представляющих собой единый модуль, включающий: плиту центральную с клапанами, к которой крепится бак для рабочей жидкости и электродвигатель, а внутри бака расположены шестеренный насос и всасывающий фильтр. В плиту центральную устанавливается клапан с рукояткой, дроссель с компенсацией, клапан обратный и клапан предохранительный.

1. Электродвигатель;
2. Кнопка включения;
3. Плита центральная;
4. Рукоятка управления;
5. Клапан предохранительный
6. Подача давления (порт Р);
7. Гидробак;
8. Заливная горловина с сапуном;
9. Кронштейн крепления.
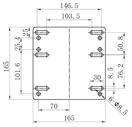
Габаритные размеры кронштейна крепления:

Принцип работы
Шестеренный насос, приводимый во вращение электродвигателем, всасывает из бака гидравлическое масло через фильтр и нагнетает его через обратный клапан под давлением в напорную линию. Клапан предохранительный находится в плите центральной и предназначен для защиты гидросистемы установки от чрезмерного давления. Клапан с ручным управлением установлен также в центральной плите. При включении минигидростанции рабочая жидкость поступает к исполнительному органу (гидроцилиндру), происходит выдвижение штока. Для опускания необходимо нажать на рукоятку клапана. Дроссель c с компенсацией по давлению предназначен для плавного опускания исполнительного механизма.
Гидравлическая схема


