Минигидростанция привода автоподъемника
Гидростанция для гидравлического автомобильного подъёмника.Подходит для всех типов гидравлических автоподъемников. Скорость опускания регулируется и остается постоянной независимо от нагрузки.
Отличается простотой и надежностью. Компактный размер, невысокая стоимость.
| Модель | Напряжение электродвигателя | Мощность электродвигателя | Подача см3/об | Настройка предохранительного клапана | Объем бака | Напряжение управления |
| GD-E2D3H1/1 | 220VAC | 2.2KW | 2ml/r | 20Mpa | 8L | 220VAC |
| GD-E3B3H1/1 | 3ml/r | |||||
| GD-E2C3H1/1 | 2ml/r | |||||
| GD-E2D4H1/1 | 380VAC | 10L | 220VAC | |||
| GD-E2C4H1/3 | ||||||
| GD-E3E4H1/1 | 3ml/r |
Гидросхема

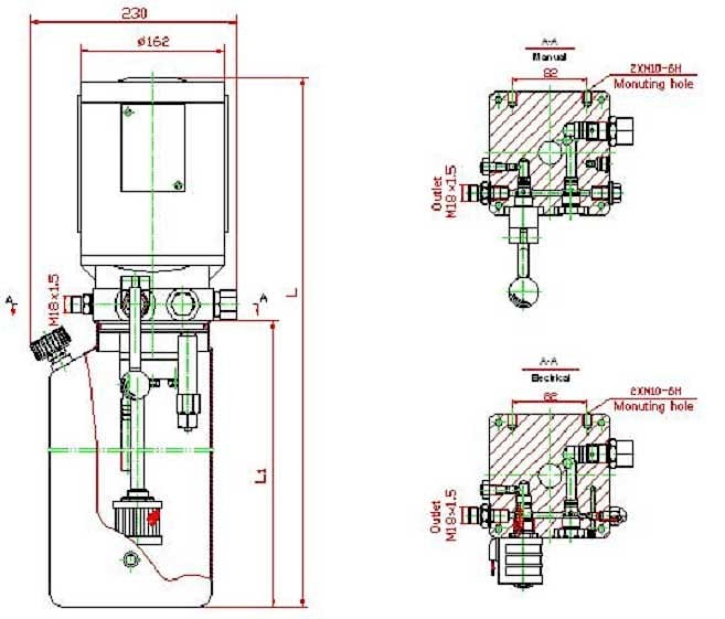
Габаритные размеры

производитель
GPA
Если вы хотите купить минигидростанция привода автоподъемника , вы можете:
Позвонить:

