Минигидростанция для складских платформ (доклевеллеров) 5717-10 1.1 кВт, 4.1 л/мин, 120 бар
1.1 кВт, 4.1 л/мин, 120 бар
Минигидростанция 5717-10 — это компактный и мощный гидравлический агрегат, предназначенный для управления доклевеллерами (складскими рампами), позволяя плавно поднимать и опускать платформу до необходимого уровня. Устройство обеспечивает надежную и эффективную работу системы погрузки-разгрузки, облегчая доступ транспорта к грузовому отсеку здания.
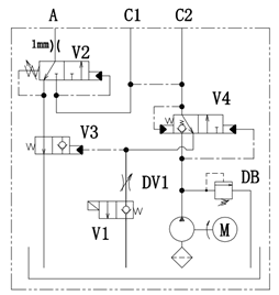
Схема гидравлическая:

Габаритные размеры минигидростанции:
| Технические характеристики | |
| Параметр | Значение |
| Электродвигатель | |
| Мощность, кВт | 1,1 |
| Напряжение, В | 380 |
| Частота вращения, об/мин | 2850 |
| Насос | |
| Рабочий объём, см3 | 1,6 |
| Максимальное давление, бар | 120 |
| Подача, л/мин | 4,1 |
| Гидробак | |
| Объём, л | 6 |
| Размещение | горизонтально |
| Размеры | |
| Высота, мм | 170 |
| Длина, мм | 431 |
| Ширина, мм | 255 |
| Масса, кг | 24 |
производитель
GPA
Если вы хотите купить минигидростанция для складских платформ (доклевеллеров) 5717-10 , вы можете:
Позвонить:

