Гидростанция универсального подъемника МРР295 7 л/мин, 150 бар
7 л/мин, 150 бар
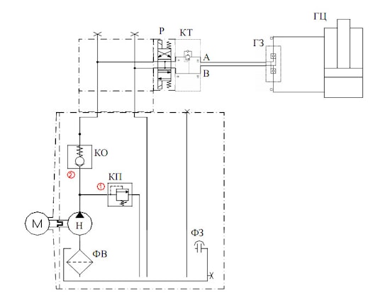
Гидростанция универсального подъемника МРР295 предназначена для управлением гидроцилиндром двухстороннего действия в различных механизмах подъема груза.Тормозной клапан в линии "А" (штоковая полость) обеспечивает равномерное (без рывков и кавитации) опускание даже с максимальной нагрузкой.
| Производительность | л/мин |
| Максимальная производительность насоса | 7 |
| Давление | МПа |
| Рабочее давление, МПа | 15 |
| Электродвигатель | |
| Частота вращения электродвигателя, об/мин | 2750 |
| Тип – переменного тока | 380В |
| Мощность, кВт | 2,2 |
| Ёмкость гидробака | л |
| Ёмкость гидробака | 8 |
| Габаритные размеры | мм |
| Длина (глубина) | 264 |
| ширина | 700 |
| Высота | 350 |
| Условия эксплуатации | |
| температура окр. среды, оС | -5… +40 |
Схема гидравлическая:

производитель
GPA
Если вы хотите купить гидростанция универсального подъемника МРР295 , вы можете:
Позвонить:

