Минигидростанции подъема кузова малотоннажных автомобилей 12, 24В до 2,2кВт, до 180 бар
до 2,2кВт, до 180 бар
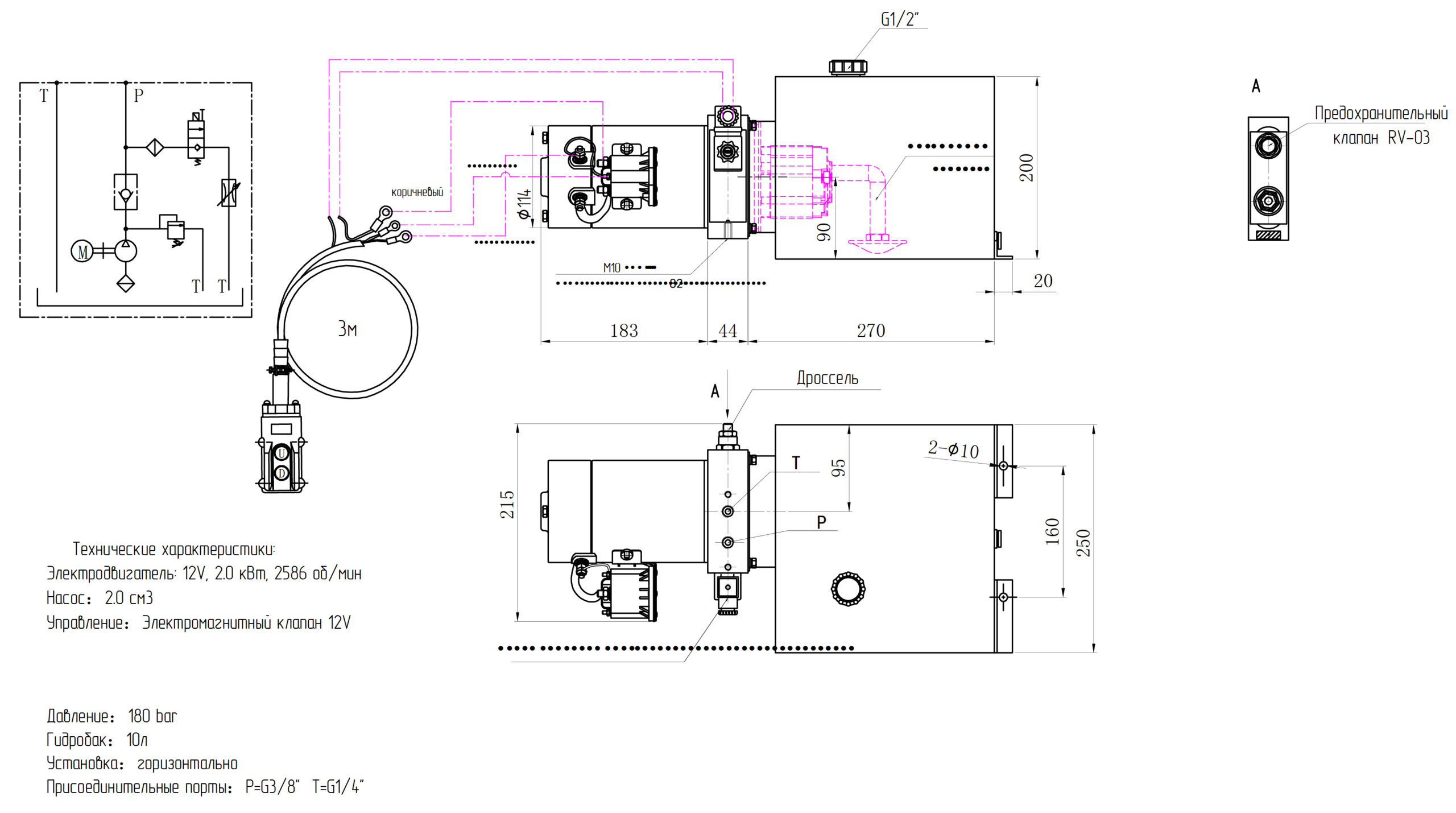
Минигидростанция подъема кузова предназначена для использования с цилиндрами одностороннего действия, в том числе и с телескопическими в небольших грузовиках и передвижных платформах.
В комплект станции входит пульт управления.
Максимально потребляемый ток 150 А (12В) 100А (24В)
- Функция дистанционного управления: REM (Remote control) позволяет управлять станцией на расстоянии, что обеспечивает удобство эксплуатации.
- Высокое давление: Способна работать под высоким давлением, обеспечивая стабильную работу гидравлической системы.
- Компактные размеры: Удобна для установки в ограниченном пространстве, что особенно важно для мобильных приложений.
- Надежность и долговечность: Высококачественные материалы и сборка гарантируют долгий срок службы даже в сложных условиях эксплуатации.
Преимущества:
- Компактность и легкость: Благодаря своим небольшим размерам и весу, минигидростанция легко транспортируется и устанавливается.
- Энергоэффективность: Экономичное потребление энергии позволяет снижать эксплуатационные расходы.
- Удобство в обслуживании: Простая конструкция облегчает техническое обслуживание и ремонт.
Технические характеристики и габаритный размеры станции 12V:

Технические характеристики и габаритный размеры станции 24V:

Если вы хотите купить минигидростанции подъема кузова малотоннажных автомобилей 12, 24В , вы можете:
Позвонить:

