Минигидростанция опрокидывателя бункера, контейнера МРР282 1-15 л/мин, до 200 бар
1-15 л/мин, до 200 бар
Гидростанция предназначена для управления двусторонним гидроцилиндром в устройствах опрокидывание контейнеров, например сельхозпродукции, моркови, картофеля и т.д. Возможна поставка комплекта с гидроцилиндрами и дополнительными клапанами.
Исполнение может быть для горизонтального или вертикального монтажа.
| Характеристика | МРР282 | возможные варианты исполнения |
| Производительность, л/мин | 6 | от 1 до 15-ти |
| Тип насоса | шестеренный | |
| Давление, максимальное, Мпа | 20 | от 2 до 20-ти |
| Электродвигатель | трёхфазный асинхронный | постоянного тока |
| Частота вращения электродвигателя, об/мин | 1450 | 2750 |
| Напряжение, В | 380 | 220б 12, 24 В |
| Мощность, кВт | 3 | от 0,15 до 4 |
| Ёмкость гидробака, л | 12 | от 1 до 30-ти |
| Габаритные размеры, мм | ||
| Длина | 250 | |
| Ширина | 250 | |
| Высота | 450 | |
| Условия эксплуатации | ||
| Температура окружающей среды, оС | 0- 60 | |
| Вязкость жидкостей, мм2/с | от 15 до 350 |
Габаритные размеры станции с мотором 3 кВт и баком 12 л.

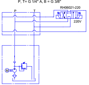
Схема гидравлическая:

производитель
GPA
Если вы хотите купить минигидростанция опрокидывателя бункера, контейнера МРР282 , вы можете:
Позвонить:

