Минигидростанция оцилиндровочного станка ЛОТ MPP-211 8,2 л/мин, 90 бар
8,2 л/мин, 90 бар
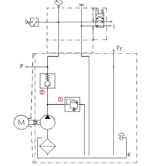
Минигидростанция МРР-211 предназначена для создания потока рабочей жидкости под давлением в гидросистеме оцилиндровочного станка ЛОТ.В гидростанции так же предусмотрена фильтрация жидкости, визуальный и электрический контроль и регулировка давления.
Гарантия 18 месяцев.

| Тип | Напряжение электро-двигателя | Мощность электродви- гателя, кВт | Подача, л/мин | Давление макс., Мпа | Объем бака, л | Ширина, мм | Глубина, мм | Высота, мм |
| МРР211 | 380В | 1,5 | 8,2 | 20-90 | 30 | 350 | 300 | 1000 |
Схема гидравлическая

Поскольку гидростанция МРР-211 предназначена для использования в неотапливаемых помещениях, то для низких температур имеется возможность установки нагревателя мощностью 500 ватт.
Нагреватель клеится ко дну бака и имеет встроенный термостат с настройкой 100°С.
Нагреватель следует применять при температурах оклружающей следы ниже 2°С.
Гидростанция МРР-211 с подогревом масла:

производитель
GPA
Если вы хотите купить минигидростанция оцилиндровочного станка ЛОТ MPP-211 , вы можете:
Позвонить:

