Минигидростанция снегоочистительной машины
Гидростанция применяется в гидроприводе снегоочистительных машин| Модель | Напряжение электродвигателя | Мощность электродвигателя | Подача см3/об | Настройка предохранительного клапана | Объем бака | Напряжение управления |
| GD-F2.1JY1W14/3H30/1 | 12VDC | 1.5KW | 2.1ml/r | 18Mpa | 1.5L | 12V |
| GD-F2.1JZ1W14/3H30/1 | ||||||
| GD-F1.6JY1W14/3H30/1 | 1.6ml/r |
Гидросхема

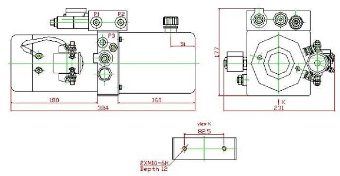
Габаритные размеры

производитель
GPA
Если вы хотите купить минигидростанция снегоочистительной машины , вы можете:
Позвонить:

