Гидростанция трала, автовоза МРР620 - 180 бар, 5 л/мин, 12/24 В на 4 гидрораспределителя
на 4 гидрораспределителя
Применяется для привода двухсторонних цилиндров подъема- опускания аппарелей автотралов. Привод насоса от электромотора постоянного тока 12В (2,0 кВт) или 24В (2,2 кВт). Номинальное давление 180 бар.
Прочный стальной бак с порошковой покраской объемом 12 литров. Возможен любой другой обем.
Длина станции 671 мм, ширина 243, высота 360 мм.
Температура окружающей среды, при которой возможна эксплуатация -40 - +50 °С.
Управление цилиндром осуществляется электромагнитным распределителем (входит в комплект станции).
Так же в комплекте пусковое реле. Возможна комплектация отдельным моноблочным распределителем с ручным управлением, для установки отдельно от гидростанции.
Данная модель гидростанции также применяется в автовозах для поднятия- опускания второго уровня.
По желанию заказчика может комплектоваться пультом дистанционного управления.
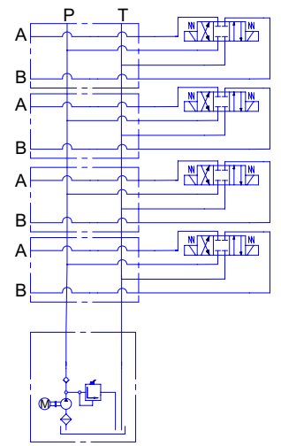
Схема гидравлическая гидростанции трала:

производитель
GPA
Если вы хотите купить гидростанция трала, автовоза МРР620 - 180 бар, 5 л/мин, 12/24 В , вы можете:
Позвонить:

