Минигидростанция МРР177 17 л/мин, 100 бар
17 л/мин, 100 бар
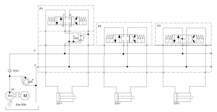
Гидростанция МРР177 предназначена для управления тремя гидромоторами(гидроцилиндрами).| Производительность | л/мин |
| Максимальная производительность насоса | 17 |
| Давление | МПа |
| Рабочее давление, МПа | 10 |
| Электродвигатель | |
| Частота вращения электродвигателя, об/мин | 3000 |
| Тип – переменного тока | 380В |
| Мощность, кВт | 3 |
| Ёмкость гидробака | л |
| Ёмкость гидробака | 60 |
| Габаритные размеры | мм |
| Длина (глубина) | 450 |
| ширина | 700 |
| Высота | 1500 |
| Условия эксплуатации | |
| температура окр. среды, оС | -5… +40 |

производитель
GPA
Если вы хотите купить минигидростанция МРР177 , вы можете:
Позвонить:

