Минигидростанция подъемника для инвалидных кресел MPP-010 12(24)В 0,8кВт
12(24)В 0,8кВт

По согласованию технические параметры могут быть изменены.
Технические характеристики:
Максимальная производительность насоса, л/мин | 1.2 |
Рабочее давление, бар | 220 |
Частота вращения электродвигателя, об/мин | 3500 |
Тип | пост. тока, 12V, 24V |
Мощность, кВт | 0,8 |
Ёмкость гидробака, л | 1.5 |
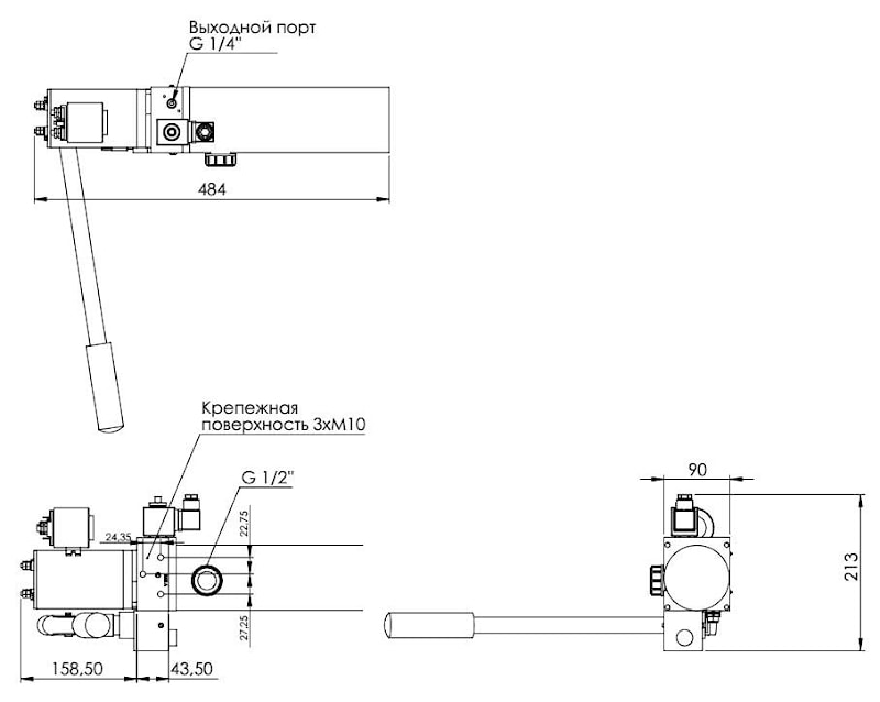
Габаритные размеры | мм |
Длина (глубина) | 484 |
ширина | 90 |
Высота | 213 |
Температура окр. среды, оС | -30… +40 |
Гидравлическая схема:

Габаритные размеры:

Электрическая схема подключения гидростанции постоянного тока с пусковым и термореле для управления гидроцилиндром двухстороннего действия:

Если вы хотите купить минигидростанция подъемника для инвалидных кресел MPP-010 , вы можете:
Позвонить: