Делитель потока шестеренный серии FMA    до 158,7 л/мин, до 250 бар
 до 158,7 л/мин, до 250 бар
 
   Делитель потока FMA предназначен для равномерного распределения потока жидкости между несколькими гидравлическими линиями. Он обеспечивает стабильное распределение потока при любых условиях эксплуатации, что особенно важно для синхронизации работы гидроцилиндров и других гидравлических систем.
Основные особенности делителя потока FMA:
- Точная регулировка: Делитель обеспечивает равномерное распределение потока с минимальными отклонениями.
- Устойчивость к перепадам давления: Конструкция рассчитана на работу при высоких давлениях, что гарантирует надежность даже в самых сложных условиях.
- Компактный и прочный корпус: Изготовлен из высококачественных материалов, устойчивых к коррозии и износу, что увеличивает срок службы устройства.
- Универсальность применения: Может использоваться в различных гидравлических системах — от промышленных установок до мобильной техники.
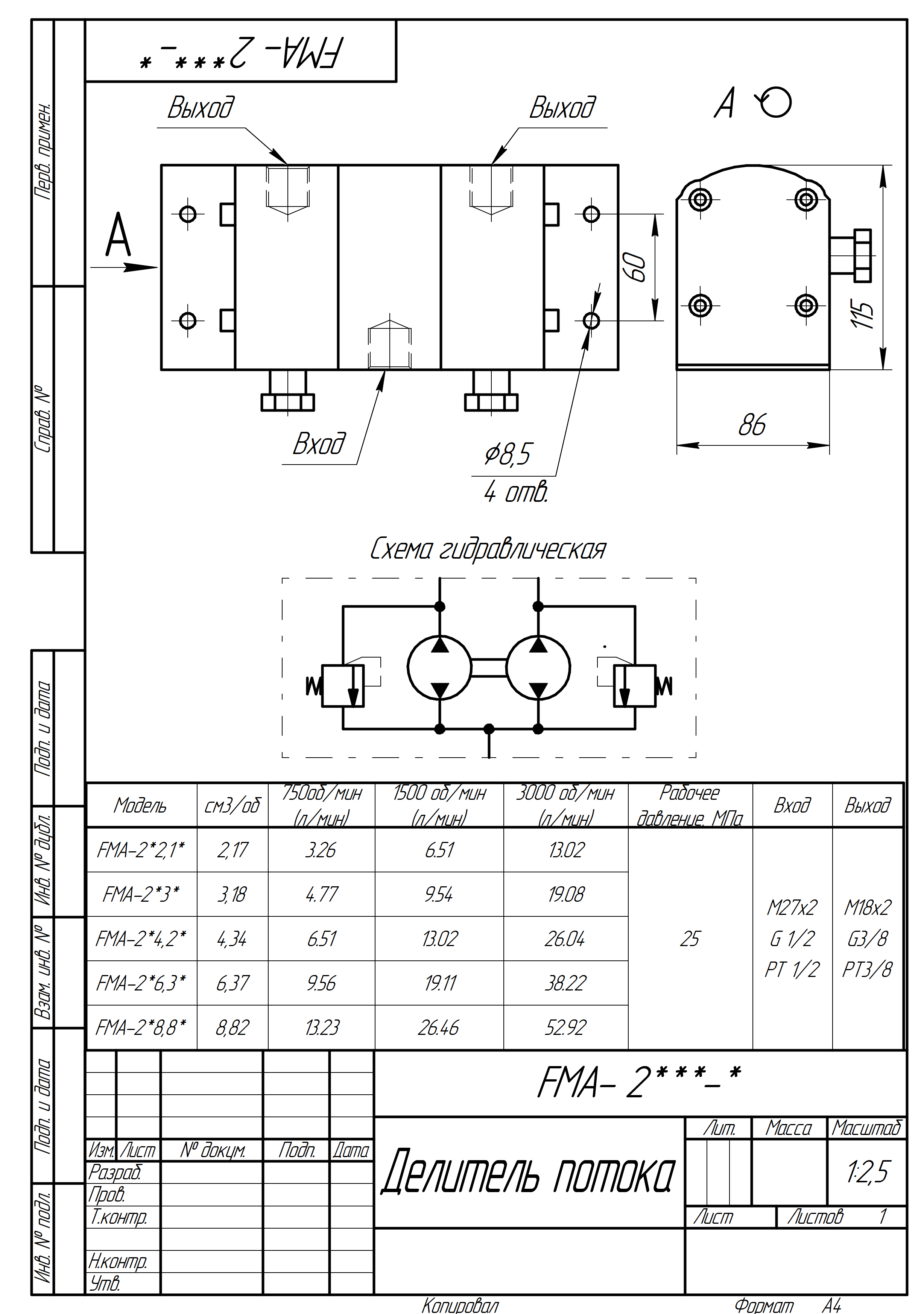
FMA2:

FMA3:

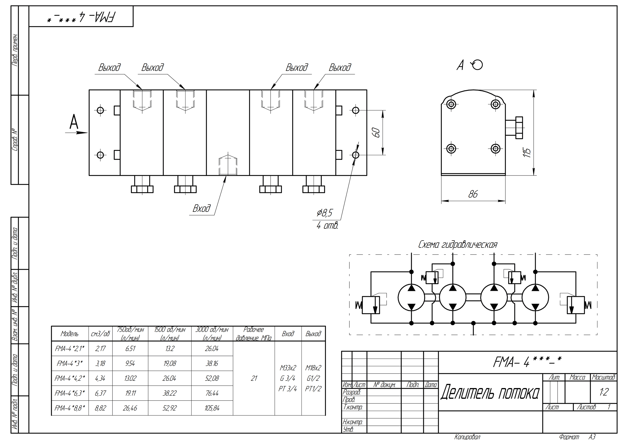
FMA4:

FMA5:

FMA6:

Если вы хотите купить делитель потока шестеренный серии FMA   , вы можете:
 Позвонить: 

 
 
 
 
 
 
 
 
 
 
 
 
