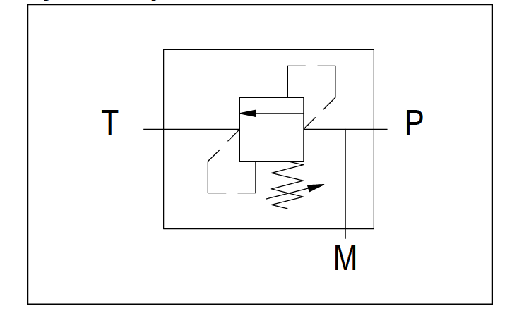
Линейный предохранительный клапан с портом для манометра RVD-M-SC 90 л/мин 350 бар
90 л/мин 350 бар
Популярный клапан имеет дополнительный порт, обычно используется для контроля давления.

| Параметр | Спецификация |
| Вязкость жидкости | ISO 3448 |
| Фильтрация | ISO 4406 |
| Температура жидкости | -20°C до +90°C |
| Температура окружающей среды | -20°C до +50°C |
| Макс. рабочее давление | 350 бар |
| Стандартные уплотнения | NBR 70 Shore A |
| Материал коллектора | Оцинкованная сталь |

| Код стандарта | Резьба P | Резьба T | Резьба M | L | L1 | L2 | L3 | L4 | L5 | L6 | G | H | S | Вес (кг) | Макс. поток (л/мин) |
| RVD-M-SC -3/8-G | 3/8 | 3/8 | 1/4 | 72 | 134 | 15 | 26 | 49.5 | 8.5 | 26 | 6.5 | 40 | 40 | 0.8 | 45 |
| RVD-M-SC -1/2-G | 1/2 | 1/2 | 1/4 | 77 | 139 | 17.5 | 29.5 | 54 | 8.5 | 30 | 6.5 | 45 | 45 | 1.0 | 70 |
| RVD-M-SC -3/4-G | 3/4 | 3/4 | 1/4 | 92 | 154 | 20 | 35 | 68 | 10 | 32 | 8.5 | 50 | 50 | 1.5 | 90 |

производитель
Gumec
Если вы хотите купить линейный предохранительный клапан с портом для манометра RVD-M-SC , вы можете:
Позвонить:

