Гидроклапан оборота плуга для работы вне борозды с выравниванием тип VRAP SV FS 400 бар двухсторонний
400 бар
двухсторонний
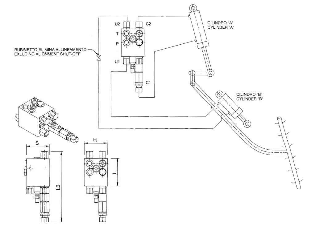
Этот клапан был разработан для использования с двумя последовательно расположенными цилиндрами оборотного плуга и обеспечения автоматического выравнивания рамы плуга и ее опрокидывания.Поворот рамы производится через вверх, что позволяет оснастить плуг колесом для буксировки.
Предусматривает использование с двумя типоразмерами цилиндров: 80/90 и 110/130 мм.
Принцип действия: сначала выравнивающий цилиндр начинает выравнивать нагрузку. Как только он достигает конца хода, опрокидывающий цилиндр начинает вращение. По завершении этого выравнивающий цилиндр возвращает плуг обратно в рабочее положение.
В данном типе клапана опрокидывающий цилиндр блокируется гидравлически с обеих сторон.
Эти клапаны настроены на переключение при давлении150 бар. Настройку давления можно изменить.
Материал корпуса: оцинкованная сталь
Материал компонентов: закаленная сталь
Уплотнения: BUNA N (стандартно)
Тип запирающего элемента: без утечек
Подключение: подсоедините C1 к стороне штока, C2 к поршневой стороне опрокидывающего цилиндра A, U1 к поршневой стороне и U2 к стороне штока выравнивающего цилиндра В. P и T к распределителю машины.
| PRESSIONE MASSIMA Dl SCAM BIO | М | ||
| Код | ТИП | Макс. настройка давления переключения, бар | Макс. давление, бар |
| V0342 | VRAP 80/90 SV FS | 230 | 400 |
| V0343 | VRAP 110/130 SV FS | 230 | 400 |
| КОД | ТИП | C1 -C2 U1 • U2 P-T GAS | L mm | L1 mm | L2 mm | L3 mm | H mm | S mm | Масса, кг |
| V0342 | VRAP 80/90 SV FS | G 3/8" | 94 | 123 | 30 | 241 | 80 | 80 | 4,98 |
| V0343 | VRAP 110/130 SV FS | G 3/8" | 94 | 123 | 30 | 241 | 80 | 80 | 4,98 |
производитель
Oleodinamica Marchesini
Если вы хотите купить гидроклапан оборота плуга для работы вне борозды с выравниванием тип VRAP SV FS , вы можете:
Позвонить:

