Гидроклапан оборота плуга стыковый тип VRA SE FL 400 бар односторонний
400 бар
односторонний
Используется на гидроцилиндрах оборотного плуга, для автоматического переключения цилиндра на реверс в нижней мертвой точке перемещения рамы плуга. Клапан снабжен одним гидрозамком со стороны поршневой полости цилиндра, на стороне штоковй полости необходимо использовать механическую фиксацию. Рекомендуется применение на сбалансированном и легком плуге с гидроцилиндрами диаметрами шток/поршень 40/50 мм и 60/80 мм.Не рекомендуется применение в системах с верхним переворотом рамы.
Эти клапаны настроены на переключение при давлении 125-140 бар.
Материал корпуса: оцинкованная сталь
Материал компонентов: закаленная сталь
Уплотнения: BUNA N (стандартно)
Тип запирающего элемента: без утечек
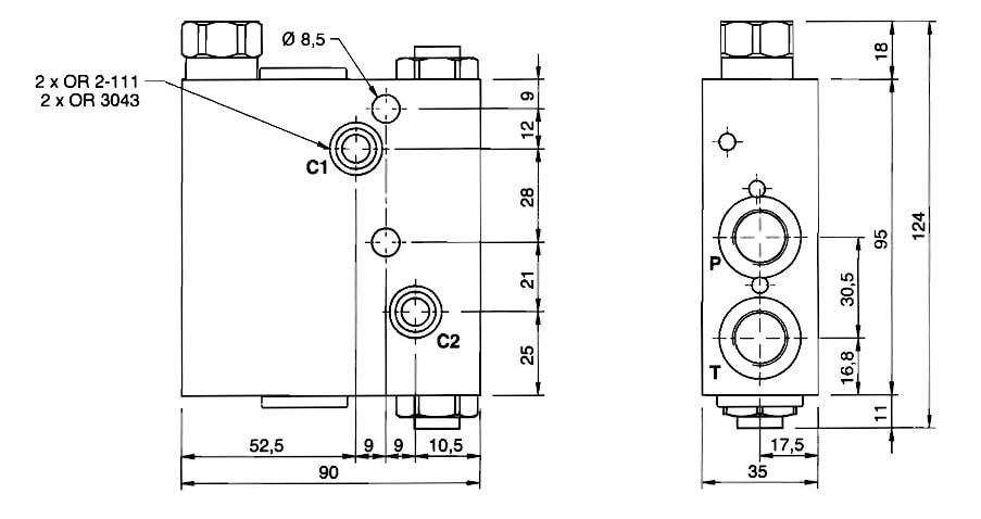
Подключение: С1 ,С2 - к гидроцилиндру, Р и Т к гидрораспределителю.
| КОД | ТИП | Максимальное давление настройки переключения | Макс. давление | Масса |
| бар | бар | кг. | ||
| V0281 | VRA 60/80 SE FL | 200 | 400 | 2,113 |

производитель
Oleodinamica Marchesini
Если вы хотите купить гидроклапан оборота плуга стыковый тип VRA SE FL , вы можете:
Позвонить:

