Гидроклапан оборота плуга с выравниванием тип VRAP SS 400 бар двухсторонний
400 бар
двухсторонний

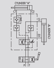
Работа: два цилиндра работают параллельно. Первый цилиндр В начинает ход первым и выравнивает плуг (так как требует меньшего давления). При достижении цилиндром В конца хода цилиндр А начинает опрокидывание. После того, как точка мертвой точки (90 °) пройдена, цилиндры A и В перезапускаются вместе, возвращая плуг в рабочее положение.
Эти клапаны настроены на переключение при давлении150 бар. Настройку давления можно изменить.

Материал корпуса: оцинкованная сталь
Материал компонентов: закаленная сталь
Уплотнения: BUNA N (стандартно)
Тип запирающего элемента: без утечек
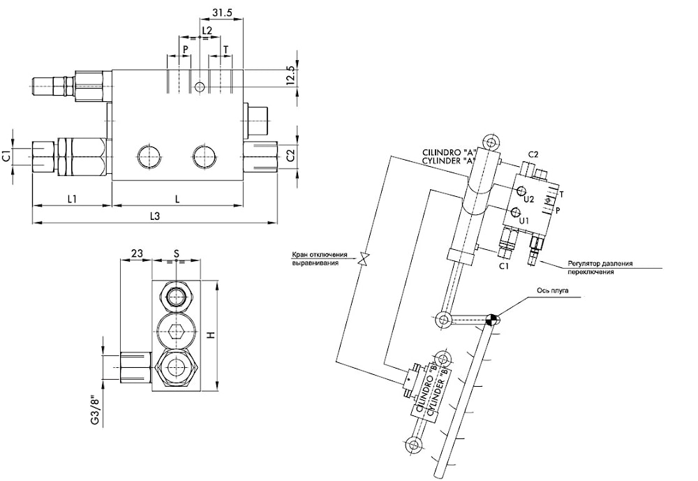
Подключение: подсоедините C1 к стороне штока, C2 к поршневой стороне опрокидывающего цилиндра A, U1 к поршневой стороне и U2 к стороне штока центрирующего цилиндра В. P и T к распределителю машины.
КОД | ТИП | Макс. давление переключения, бар | Макс. давление, бар. |
V0330 | VRAP 80/100 SS | 250 | 400 |
V0331 | VRAP 100/110 SS VMP | 250 | 400 |

КОД | ТИП | C2 P-T | С1 | L | L1 | L2 | L3 | H | S | Масса |
GA5 | мм | мм | мм | мм | мм | мм | ммм | кг | ||
V0330 | WRAP 80/100 SS | G 3/8" | Ø12 | 94 | 58 | 30 | 176 | 80 | 35 | 2,230 |
V0331 | WRAP 100/110 SS VMP | G 3/8" | Ø12 | 94 | 58 | 30 | 176 | 80 | 35 | 3,180 |
производитель
Oleodinamica Marchesini
Если вы хотите купить гидроклапан оборота плуга с выравниванием тип VRAP SS , вы можете:
Позвонить: