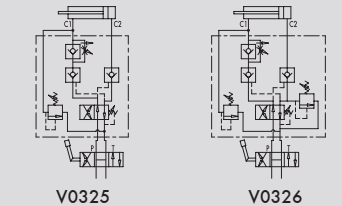
Гидроклапан оборота плуга для работы вне борозды с цилиндрами с памятью и без тип VRAP FSCM/SM 400 бар двухсторонний
400 бар
двухсторонний

Клапаны для гидроцилиндров без памяти (V0326): разработаны для использования на гидроцилиндрах без памяти реверсивных плугов для работы вне борозды, дополнительный предохранительный клапан в линии поршневой полости ограничивает максимальное давление чтобы не повредить механические упоры и раму плуга.
Оба клапана снабжены дросселем с компенсацией по давлению, который обеспечивает постоянную скорость поворота независимо от того работает плуг в борозде или вне нее.
Так же оба клапана снабжены гидрозамком двусторонним, который обеспечивает безопасность и возможность зафиксировать плуг в любом положении.
Эти клапаны настроены на переключение при давлении150 бар. Главный предохранительный клапан настроен на 90 бар. Разгрузочный клапан в линии поршневой полости настроен на 210 бар. Настройку давления можно изменить.

Материал корпуса: оцинкованная сталь
Материал компонентов: закаленная сталь
Уплотнения: BUNA N (стандартно)
Тип запирающего элемента: без утечек
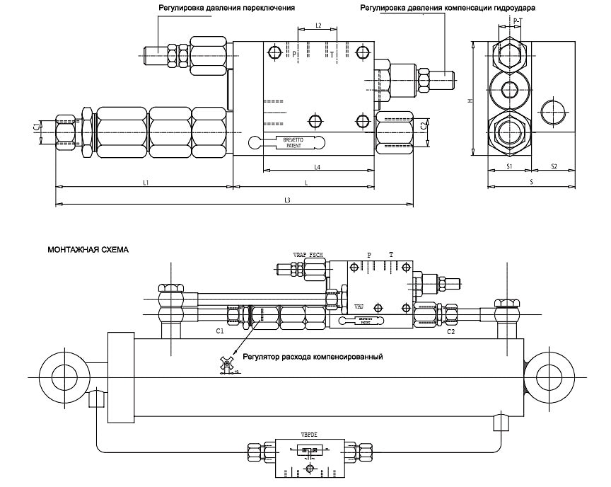
Подключение: подсоедините C1 и предохранительный клапан к стороне штока цилиндра с помощью болта банджо, поставляемого с клапаном. Подсоедините C2 к поршневой полости, P и T к питанию машины.
КОД | ТИП | Макс. давление переключения | Макс. давление |
Bar | Bar | ||
V0325 | VRAP 110/130 FSCM | 250 | 400 |
V0326 | VRAP 110/130 FSSM | 250 | 400 |

КОД | ТИП | C2 P-T | C1 | L | L1 | L2 | L3 | H | S | S1 | Масса |
GAS | mm | mm | mm | mm | mm | mm | mm | mm | Kg. | ||
V0325 | VRAP 110/130 FSCM | G 3/8" | 012 | 94 | 123 | 30 | 241 | 80 | 35 | 65 | 3,39 |
V0326 | VRAP 110/130 FSSM | G 3/8" | 012 | 94 | 123 | 30 | 241 | 80 | 35 | 65 | 3,39 |
производитель
Oleodinamica Marchesini
Если вы хотите купить гидроклапан оборота плуга для работы вне борозды с цилиндрами с памятью и без тип VRAP FSCM/SM , вы можете:
Позвонить: