Гидроклапан оборота плуга для работы в борозде с выравниванием тип VRAP DE SV 400 бар двухсторонний
400 бар
двухсторонний

Поворот рамы производится через вверх, что позволяет оснастить плуг колесом для буксировки.
Предусматривает использование с двумя типоразмерами цилиндров: 70/80 и 80/100 мм.
Этот клапан позволяет остановить плуг на 90 ° (в мертвой точке)
Принцип действия: сначала выравнивающий цилиндр начинает выравнивать нагрузку. Как только он достигает конца хода, опрокидывающий цилиндр начинает вращение. По завершении этого выравнивающий цилиндр возвращает плуг обратно в рабочее положение.
В данном типе клапана опрокидывающий цилиндр блокируется гидравлически с обеих сторон.
Эти клапаны настроены на переключение при давлении150 бар. Настройку давления можно изменить.

Материал корпуса: оцинкованная сталь
Материал компонентов: закаленная сталь
Уплотнения: BUNA N (стандартно)
Тип запирающего элемента: без утечек
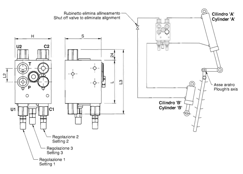
Подключение: подсоедините C1 к стороне штока, C2 к поршневой стороне опрокидывающего цилиндра A, U1 к поршневой стороне и U2 к стороне штока выравнивающего цилиндра В. P и T к распределителю машины.
КОД | ТИП | Макс. давления настройки переключения, бар | Макс. давление, бар |
V0345 | VRAP 70/80 DE SV | 230 | 400 |
V0346 | VRAP 80/100 DE SV | 230 | 400 |

КОД | ТИП | C1 -C2 U1 • U2 | L | L1 | L2 | L3 | H | S | Масса |
GAS | mm | mm | mm | mm | mm | mm | Kg | ||
V0345 | VRAP 70/80 DE SV | G 3/8" | 94 | 58 | 30 | 176 | 80 | 80 | 4,8 |
V0346 | VRAP 80/100 DE SV | G 3/8" | 94 | 58 | 30 | 176 | 80 | 80 | 4,8 |
производитель
Oleodinamica Marchesini
Если вы хотите купить гидроклапан оборота плуга для работы в борозде с выравниванием тип VRAP DE SV , вы можете:
Позвонить: