Гидроклапан оборота плуга тип VRA SE 400 бар односторонний
Используется на гидроцилиндрах оборотного плуга, для автоматического переключения цилиндра на реверс в нижней мертвой точке перемещения рамы плуга. Клапан снабжен одним гидрозамком со стороны поршневой полости цилиндра, на стороне штоковй полости необходимо использовать механическую фиксацию. Рекомендуется применение на сбалансированном и легком плуге с гидроцилиндрами диаметрами шток/поршень 40/50 мм и 60/80 мм.
Не рекомендуется применение в системах с верхним переворотом рамы.
Эти клапаны настроены на переключение при давлении 125-140 бар.
Материал корпуса: оцинкованная сталь
Материал компонентов: закаленная сталь
Уплотнения: BUNA N (стандартно)
Тип запирающего элемента: без утечек
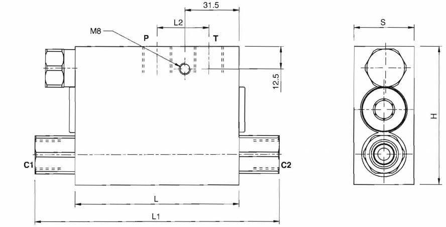
Подключение: С1 к штоковой полости ,С2 - к поршневой, Р и Т к гидрораспределителю.
| КОД | ТИП | Макс. настройка давления пререключения | Макс. давление |
| Bar | Bar | ||
| V0278 | VRA 40/50 SE | 200 | 400 |
| V0280 | VRA 60/80 SE | 200 | 400 |

| КОД | ТИП | Cl - C2 P-T | L | L1 | L2 | H | S | Масса |
| GAS | mm | mm | mm | mm | mm | кг | ||
| V0278 | VRA 40/50 SE | G 3/8" | 94 | 142 | 30 | 80 | 35 | 1,99 |
| V0280 | VRA 60/80 SE | G 3/8" | 94 | 142 | 30 | 80 | 35 | 1,99 |
производитель
Oleodinamica Marchesini

