Установка свечной фильтр для СОЖ тип CFT до 360 л/мин
до 360 л/мин
Свечные фильтры предназначены для тонкой очистки смазывающе-охлаждающих жидкостей и контроля температуры в шлифовальных станках с инструментом из карбида вольфрама, электроэрозионных станках, шаровых мельницах.Накопившиеся загрязняющие вещества удаляются с поверхности фильтрующих элементов обратной промывкой, поэтому фильтрующие элементы не требуют частой замены.
Система обеспечивает высокое качество обработки инструментами на основе карбида вольфрама, и увеличивают ресурс станков.
Обеспечивают тонкую и очень точную очистку, что идеально подходит для чистовой и суперчистовой обработки.
Принцип действия.
Каждый фильтрующий элемент-свеча состоит из тысяч тонких пластин, плотно прижатых друг к другу пружинами. Загрязненная жидкость, подаваемая специальным насосом, поступает с наружной стороны свечи внутрь и все частицы крупнее 1 мкм остаются на поверхности свечи.
Автоматическая очистка происходит обратной промывкой с использованием сжатого воздуха. Удаленные таким образом загрязнения поступают в специальную емкость. Специальное устройство отделяет жидкую загрязненную фракцию от твердого шлама ***.
При использовании рекомендованных СОЖ, фильтрующие элементы служат несколько лет.
Рекомендованные жидкости:
Шлифовальные масла
| Марка СОЖ | Вязкость |
| CROWN CUT 850 | 43 |
| Sintogrind TT | 45 |
| Castrol 488 CF | 45 |
| Castrol Honilo 980 | 43 |
| OMNI-Grind V | 37 |
| Norpar 15 | 33 |
| Emol-O-Grind 168/3 | 45 |
EDM масла
| Марка СОЖ | Вязкость |
| Castrol SE 180 | 37 |
| US-1 | |
| US-2 | 32 SUS@ 25C |
| US-3 | 34 SUS@ 25C |
| Interlyte | 37 SUS@ 21C |
| lono Plus | 37 SUS@ 25C |
| Commonwealth 259T | 37 SUS@ 21C |
| Commonwealth 244 | 37 SUS@ 21C |
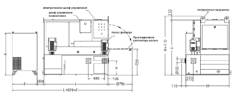
Вид сверху

Вид сбоку

| MODEL | Количество резервуаров | Расход, л/мин | L | W | H | Расход, загрязненной СОЖ, л/мин | Объем бака, л | Расход очищенной СОЖ, л/мин | Давление очищенной СОЖ, бар | **Чиллер (масло- охладитель), TON | **Размер чиллера, мм |
| CF4T-1R | 1 | 56 | 1340 | 1060 | 1545 | 300 | 60 | 50 | 6 | 1 | 550x480x1040 |
| CF4T-1 | 1 | 81 | 1340 | 1060 | 545 | 300 | 640 | 60 | 6 | 2 | 630x494x1175 |
| CFT-1 | 1 | 91 | 1340 | 1220 | 1545 | 400 | 800 | 60 | 6 | 2 | 696x494x1175 |
| CFT-1S | 1 | 135 | 1800 | 1220 | 1545 | 400 | 1080 | 90 | 6 | 3 | 600x920x1245 |
| CF7T-1 | 1 | 190 | 1525 | 1525 | 1545 | 400 | 1080 | 120 | 6 | 3 | 600x920x1245 |
| CF7T-1S | 1 | 250 | 1525 | 1525 | 1545 | 400 | 1080 | 180 | 6 | 4 | 1105x705x1399 |
| CFT-2 | 2 | 190 | 1800 | 1220 | 1545 | 400 | 1080 | 120 | 6 | 3 | 600x920x1245 |
| CFT-3 | 3 | 270 | 2440 | 1220 | 1545 | 400 | 1450 | 180 | 6 | 4 | 1105x705x1399 |
| CFT-4 | 4 | 360 | 3050 | 1220 | 1545 | 400 | 1850 | 240 | 6 | 5 | 1105x705x1390 |
* Тип и производительность насоса подачи чистой СОЖ подбирается исходя из требований заказчика, давление на выходе зависит от вязкости
** Чиллер (маслоохладитель) - дополнительная опция по заказу, 1Т=3000 kcal (60HZ), 2500 kcal (50Hz)
*** Устройство отделения жидкой фракции отходов является дополнительной опцией и поставляется по заказу.
Установка свечного фильтра CFT-2 с двумя независимыми секциями может использоваться с двумя станками одновременно или с одним большой производительности:

Если вы хотите купить установка свечной фильтр для СОЖ тип CFT , вы можете:
Позвонить:

