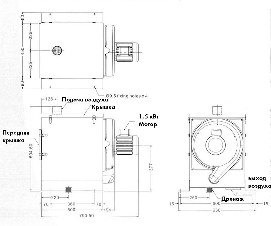
Коллектор тумана и пыли MDA-10 5 м3/мин
5 м3/мин
Коллектор тумана применяется для очистки воздуха отводимого из зоны работы инструмента от капельной влаги и твердых частиц.Коллектор оснащен автоматическим устройством водоотведения. При паузе в работе или заполнении емкости смазочно-охлаждающая жидкость автоматически сливается (рекомендуем дальнейшую очистку магнитным сепаратором или бумажным фильтром).
Технические характеристики:
Производительность: 5 м3/мин
Уровень шума: 69 дБ
Скорость входного потока: 22 м/с
Размеры:

Если вы хотите купить коллектор тумана и пыли MDA-10 , вы можете:
Позвонить:

