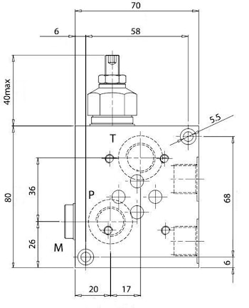
Одноместная монтажная плита с предохранительным клапаном тип BS3
| Вязкость масла | 10-500 мм2/с |
| Требование к чистоте масла | SAE класс 4 и выше |
| Температура рабочей жидкости | от - 20 °С до + 80 °С |
| Температура окружающей среды | от - 20 °С до + 50 °С |

Скачать технические характеристики, размеры плиты BS3

| Технические характеристики | ||||||
| Модель | Порты P-T-A-B | Порт М | Макс. расход л/мин | Макс. давл., бар | Масса, кг. | Тип клапана |
| BS3 | BSPP3/8 | BSPP1/4 | 40 | 210 | 0,8 | VMD40 |
Если вы хотите купить одноместная монтажная плита с предохранительным клапаном тип BS3 , вы можете:
Позвонить:

