Монтажная плита E_06-21-38 A-B сторона 3/8", P-T 1/2"
A-B сторона 3/8", P-T 1/2"
Монтажная плита для группового монтажа гидроаппаратуры со стыковой поверхностью NG6/CETOP3 и опциональным предохранительным клапаном.
Код заказа:

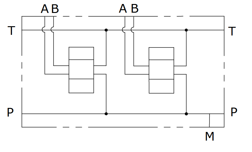
Гидравлическая схема:

Габаритные размеры:



| H | K | |
| 1 | 120 | 108 |
| 2 | 170 | 158 |
| 3 | 220 | 208 |
| 4 | 270 | 258 |
| 5 | 320 | 308 |
| 6 | 370 | 358 |
| 7 | 420 | 408 |
| 8 | 470 | 458 |
| 9 | 520 | 508 |
| 10 | 570 | 558 |

производитель
Oleodinamica Marchesini
Если вы хотите купить монтажная плита E_06-21-38 , вы можете:
Позвонить:

