Монтажная плита E_06-13-38 A-B сторона 3/8", P-T 1/2"
A-B сторона 3/8", P-T 1/2"
Монтажная плита для группового монтажа гидроаппаратуры со стыковой поверхностью NG6/CETOP3 и опциональным предохранительным клапаном.
Код заказа:

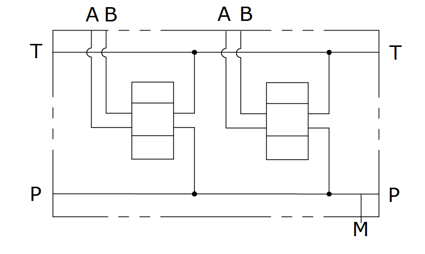
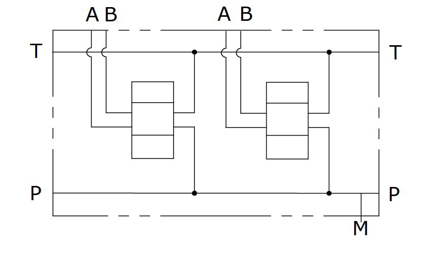
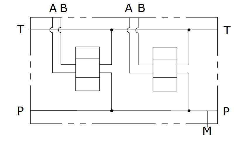
Гидравлическая схема:

Габаритные размеры:




| H | K | |
| 1 | 110 | 94 |
| 2 | 160 | 144 |
| 3 | 210 | 194 |
| 4 | 260 | 244 |
| 5 | 310 | 294 |
| 6 | 360 | 344 |
| 7 | 410 | 394 |
| 8 | 460 | 444 |
| 9 | 510 | 494 |
| 10 | 560 | 544 |

производитель
Oleodinamica Marchesini
Если вы хотите купить монтажная плита E_06-13-38 , вы можете:
Позвонить:

