Клапан ИЛИ ввертный тип SV
Клапан ИЛИ применяется для автоматического переключения давления между двумя линиями.Давление подается из двух гидравлических линий на входы (1) и (3). Выход (1) автоматически соединяется с линией в которой давление выше.
Принцип действия основан на перемещении шарикового запорного устройства, которое под действием более высокого давления блокирует линию с меньшим давлением.

Общие характеристики:
| Вязкость масла | 10-500 мм2/с |
| Требование к чистоте масла | SAE класс 4 и выше |
| Температура рабочей жидкости | от - 20 °С до + 80 °С |
| Температура окружающей среды | от - 20 °С до + 50 °С |
| Максимальное давление | 35 МПа (350 бар) |
| Масса | 0,10-0,11 кг |
Скачать технические характеристики, размеры клапанов

| Технические характеристики | ||||||||
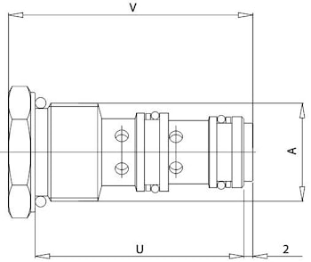
| Модель | A | Макс. расход л/мин | Макс. давл., бар | U | V | Масса, кг. | Момент затяжки, Нм | Монтажный размер |
| SV08 | 3/4-16UNF | 15 | 350 | 41 | 49 | 0,1 | 25-30 | SAE8/3 |
| SV10 | 7/8-14UNF | 30 | 350 | 47 | 55 | 0,11 | 41-47 | SAE10/3 |
производитель
OLEOWEB
Если вы хотите купить клапан ИЛИ ввертный тип SV , вы можете:
Позвонить:
Ещё из раздела ввертные клапаны SAE08
Гидроклапан трехлинейный ввертный EV11 с электроуправлением прямого действия
SAE8, 12 л/мин, 210 бар
Устаревшая маркировка новую см. здесь Клапаны ввертные тип EV11 с электроуправлением прямого действия 3/4UNF Основные характеристики: Вязкость масла 15-250 мм2/с Требование к чистоте масла ISO 4406:1999 Classe 19/17/14 Температура рабочей жидкости ...

